Никто конкретики не вносит, все знают как должно быть,
но как будет на самом деле-никто не ручается.

Военная мудрость.

Потенциальная энергия.

Опубликовано: 20/10/18

Смысл потенциальной энергии заключен в самом слове - потенциал, возможность. Камень лежащий на земле не способен к движению, его потенциальная энергия равна нулю. Тот же камень поднятый над землёй обрел возможность к движению, стал обладать потенциальной энергией. После того как Вы отпустили камень произошло преобразование потенциальной энергии в кинетическую.

Ваше мышление, деформированное образованием, навязчиво предлагает Вам модели оценки потенциальной энергии через движение выпущенного из руки камня. Но кто решил что камень будет отпущен? Вы подняли его чтобы принести домой, сделать из него магнит и повесить на холодильник. Смысл слова возможность не должен Вам позволить обмануть себя и проводить какие либо измерения потенциальной энергии. Возможности оценить и измерить невозможно.

Электрический потенциал, в широком смысле, означает что созданы условия для формирования электрического тока. Соедините проводником плюс и минус источника питания, в проводнике возникнет движение электрических зарядов - электрический ток.

Более интересной для рассмотрения является игра перетягивание каната. При равенстве сил команд просуммируйте вектора сил и в итоге получите ноуль. Математически получается что энергией данная система не обладает. Но посмотрите какие усилия прилагает каждый игрок, теряя энергию.


...


Ещё раз посмотрите на игроков и определитесь чему Вы доверяете больше. Здравому смыслу и своим глазам или представителям научного планктона утверждающего, что пока силы скомпенсированы, говорить об энергии преждевременно. И энергии действительно нет, но только в ипостаси нашего мира, как бы Вы не углублялись, вплоть до противодействия отдельных атомов и молекул.

Напомню и о законе сохранения энергии, о котором наука в спорные моменты начисто забывает. Энергия бесследно не исчезает, а переходит в другие формы. В какую форму энергии перешли усилия игроков? Энергия усилий игроков не исчезла, а именно перешла в другую форму и через некоторое время проявит себя в реальности победой одной из команд.

Официальной науке невозможно признать, что физические усилия игроков привели к образованию энергии которой нет в нашем мире, она возникает вне его границ, другими словами, энергия образованная усилиями игроков противостоящих команд - нелокальна.

Вы можете усомниться в здравомыслии описания перехода процессов Физического мира в нелокальную форму или энергию Великого Ничто и последующую реализацию образованного там потенциала в физическом мире через любую из форм движения. Но объективности ради, перечитайте определения энергии, данные в википедии.

Термин «энергия» впервые появился в работах Аристотеля и обозначал осуществление действия в противоположность его возможности.

Аристотель рассматривал возможность как энергию и лишь следствием её проявления являлось осуществление действия. Более удачного определения Вам не найти. Энергия, заключенная в возможности, известная во "времена" Аристотеля, странным образом ушла из рассмотрения деградирующей науки современности. Хотя почему странным? "Ведь, если звезды зажигают - значит - это кому-нибудь нужно?"

Если мы понимаем что энергия нелокальна, то далее следует не менее парадоксальный вывод о том что "движение" энергией не является. Движение это всего лишь способ проявления энергии в нашем мире, или её локализация, временной след. Значит и считать любую из форм движения энергией - это ошибка. Движение электрических зарядов в цепи как и поток воды в реке лишь проявление, локализация энергии в нашем мире.

Если мы понимаем и принимаем нелокальность энергии, которая представлена в нашем пространстве только как "возможность" и локализуется через ресурс движения, то следует сделать следующий шаг и признать, что энергии в нашем мире нет в принципе. Наш мир по сути своей пустой, мёртвый и является изнанкой иного, мира энергии и жизни. (Основа христианства - поклонение мертвецу, символика смерти - суть нашего мира. ) Вся без исключения энергетика нашего мира жертвенная. Убивая, уничтожая, принося в жертву, точнее освобождая из этого мира разного рода сущности мы заимствуем их энергию локализуя её через движение. Материя и энергия равнозначные понятия для нашего мира.

Особенностью использования потенциальной энергии является умение проявить её в ипостаси нашего мира через любую из форм движения, локализовать энергию. Вы поднялись на велосипеде на вершину горы. Образование формирует у Вас стереотип закона сохранения энергии, которому Вы покорно следуете, следующим сравнением. На подъём в гору Вы затратили энергии больше, чем двигаясь по прямой, за что в награду получили возможность скатываться с горки не прилагая усилий. Вам прививается привычка отыскивать во всём равенство энергий исходя из ложного посыла - сколько затратили столько и получите. Но всё происходит с точностью до наоборот.

На возвышенности Вам необходим строительный материал, загрузив которым своё транспортное средство под завязку, не прилагая особых усилий, Вы переместите этот груз к своему жилищу. Данная работа не выполнима для ровной местности, поскольку у Вас не хватит сил сдвинуть перегруженное транспортное средство с места.

Используя потенциальную энергию рельефа местности, энергии на транпортировку грузов Вами затрачено не будет, в сравнении с ровной местностью. При этом вес перемещаемых грузов ограничен лишь прочностью транспортного средства. Закон сохранении энергии теряет всякий смысл, как только Вы начинаете использовать нелокальную энергию "возможностей", существующую вне нашего мира.

Разбивая процессы на составные части лишённые смысла, образование штампует учёных болванчиков, неспособных признать факт наличия потенциальной энергии и её нелокальный характер. Осознав и научившись использовать потенциальную энергию Вы получите бесконечный источник движения кратно больший затраченных усилий.

Что такое энергия электрического тока.

Опубликовано: 13/10/23

Само по себе, "Нечто", находящееся в электрических проводах и называемое электрическим током никакого интереса не представляет. Но электрический ток, воздействуя на структуру различных материалов, обладает свойством создавать другие виды энергии, например тепло или свет. Именно это свойство электрического тока делает его ценным ресурсом.

Оценить этот ресурс возможно только опосредованно, через оценку других форм энергий произведённых электрическим током. В частности, Джоулем и Ленцем установлено, что электрический ток, проходя через проводник, выделяет теплоту. Количество выделяемой током теплоты пропорционально квадрату тока, сопротивлению проводника и времени прохождения тока.

...

Способ оценки энергии электрического тока через эквивалент образованной им тепловой энергии принят повсеместно. Основываясь на приведенных выше формулах взимается плата за использование электрического тока. Математика расчёта активной мощности из спецификации к чипу устанавливаемого в электросчётчиках:

Но между количеством электричества IU*ΔT и энергией, которое способно произвести данное количество электричества, ставить знак равенства нельзя.

Ошибочность закона Джоуля-Ленца демонстрирует уплотнитель мощности, логику работы которого описывает представленная далее схема. Конденсатор C1 заряжается до 30 вольт через нагрузку EL1, после разряжается примерно до 25 вольт через нагрузку EL2, далее по циклу - заряд до 30 вольт, разряд до 25 вольт. Разряд конденсатора до 25 вольт определяет длительность открытия ключа S2 через который происходит разряд конденсатора C1 на нагрузку EL2.

В видеоролике подстроечный резистор поднимает напряжение начала заряда конденсатора и завершение его разряда. Обратите внимание, лампа через которую происходит заряд конденсатора постепенно гаснет. Напротив, лампа которая работает от заряда конденсатора светит ярко. Это значит что конденсатор формирует энергии тепла и света на нагрузке EL2 больше чем источник питания, заряжая конденсатор через аналогичную нагрузку EL1.


На осциллограмме жёлтый луч показывает время заряда конденсатора ключом S1. Низкий уровень - разряд конденсатора на нагрузку EL2. Сравните площади фигур отражающих изменение напряжения на конденсаторе при заряде и его разряде - синий луч осциллографа. Вам очевидно, что площадь отражающая заряд конденсатора кратно больше?


Это значит, по закону Джоуля-Ленца Q=(U^2/R)*ΔT энергии тепла и света должно быть больше на лампе EL1, через которую заряжается конденсатор, чем на лампе EL2, которая работает от заряда конденсатора. Но реальность говорит об обратном - закон Джоуля-Ленца ошибочен, а считать образованную тепловую энергию равной работе которую совершает источник питания по перемещению зарядов в электрической цепи ещё большее недоразумение.

Сила тока в классических определениях - это только интенсивность движения электрических зарядов в проводнике, количество электричества, проходящего за единицу времени через площадь поперечного сечения проводника.

Количество электрического тока, выполняя заряд конденсатора, не определяет его качество - энергию которую электрический ток способен создать. Этот ключевой момент опускается из рассмотрения. Между количеством электричества IU*ΔT и энергией, которое способно произвести данное количество электричества, ставить знак равенства нельзя.

Энергия воды из горных рек и ручьёв заполняя озеро, не способна привести к вращению простейшее водяное колесо - заряд конденсатора через лампу накаливания EL1. В то же время, энергия падающей воды водопада способна производить мегаватты электрической энергии - разряд конденсатора на нагрузку через лампу накаливания EL2.


Количество воды поступившее в горное озеро и ушедшее из него водопадом одинаково. Но мощность потоков воды, заполняющих горное озеро, и мощность водопада, а значит способность воды сформировать иные виды энергии, различается. Таким образом, способность электрического тока создавать иные виды энергии определяет скорость падения напряжения ΔVΔT, но никак не количество перемещённых зарядов в электрической цепи.

Энергия не может существовать вне временного контекста. Без времени энергия вообще не имеет смысла. Мегаватт в течении тысячи лет, пылинки со стола не сдует. Те же энергетики не считают должным предоставить вам рассрочку оплаты энергии на тысячу лет. При этом в формулах электродинамики оперирующих энергией времени нет. Энергия конденсатора, индуктивности. Деньги на счету (энергия), скорость трат (мощность). Нужны ли вам деньги, которыми Вы не можете воспользоваться вообще или на которые вы сможете покупать только зубочистки? Энергия без указания времени её использования (мощности) — это потенциальная, но бесполезная величина.

Наука это балаган высокоинтеллектуальных шулеров. Одни научные словоблуды придумывают разного рода бредовые сущностей, другие эти авгиевы конюшни разгребают, третьи ими гордятся.

Если обратиться к определению, то буквально - "электри́ческая мо́щность — физическая величина, характеризующая скорость (производная функции) передачи или преобразования электрической энергии." Конденсатор искусственно ограничивает мощность источника питания, именно поэтому лампа EL1 не светит и тепла не образуется, транзисторный ключ S1 холодный. Конденсатор, разряжаясь, напротив, обеспечивает необходимую для образования тепла мощность - скорость образования энергии. Поэтому на нагрузке EL2 есть и тепло и есть свет, транзисторный ключ S2 греется и требует радиатора.

Поэтому утверждения, что в силу нелинейности используемых элементов тепло и свет в лампе EL1 есть, но я его не вижу и без специальных приборов калориметрии тепла не почувствую - абсурдны. Это случается не потому что в лампах накаливания протекают нелинейный процессы, а потому что конденсатор ограничивает мощность источника питания и её недостаточно для формирования тепловой энергии.

Убедиться в полной несостоятельности закона Джоуля-Ленца Вы можете самостоятельно, замерив образованную тепловую энергию при заряде конденсатора и его разряде. Жёлтый луч осциллографа - заряд конденсатора, зелёный луч - его разряд.

Ошибочность закона Джоуля-Ленца приводит к математическим коллизиям в попытках оценить энергию. Математика, опираясь на закон Джоуля-Ленца, утверждает - энергией электрический ток обладает, по факту Вы видите что энергии нет. За сотни минувших лет этот математический абсурд не только обосновался в головах, но и стал передаваться по наследству.

Количество зарядов перенесённых на конденсатор и после с него в электрическую цепь является чем угодно, но только не энергией. Энергией электрического тока является скорость падения напряжения за единицу времени (дифференциал). Но такого понятия как скорость изменения электрического тока за единицу времени в электродинамике не существует. Есть только количество зарядов прошедших через проводник за единицу времени. Очень надеюсь, что разница и масштаб последствий этого научногого шулерства понятны? Подводя итог, понятийный аппарат ЭНЕРГИИ электрического тока в электродинамике отсутствует как класс, от слова совсем. Помимо эксперимента предлагается симуляция в LTSpice, разработка компании Analog Devices, математически демонстрирующая данный парадокс.

Зелёный луч показывает что при разряде конденсатора на нагрузку R4 - было образовано 587.19mJ энергии. На заряд конденсатора источник питания потратил 136.69mJ энергии - красный луч осциллографа.


К сожалению, ничем не могу помочь фанатикам стоящим на страже невинности закона сохранения энергии. Откуда взялось в четыре раза больше энергии на конденсаторе, симулятор LTSpice мне не сообщил, но если это известно Вам, обязательно напишите. Проверить предложенную схему в симуляторе Вы без труда можете самостоятельно: uml-power.zip

LTSpice "разочаровал". Мало того что количество электричества IU*ΔT поступившего в конденсатор не соответствует покинувшему его объёму зарядов в разы. Так ещё и энергии конденсатор образовал в четыре раза больше чем затратил источник питания на заряд конденсатор. Куда-то вышел и забыл вернуться закон сохранение энергии.

Здравый смысл подвергнут учёными анафеме и окончательно забыт? Остаётся только развести руками над сюрреализмом современной физики в целом и математики в частности. Подумайте, как получилось, что в то время пока космические корабли бороздят просторы вселенной, в примитивной схеме, состоящей из конденсатора и двух резисторов, не сходится вообще НИЧЕГО?! А что творится в академических клозетах при рассмотрении более сложных явлений?!

Далее будем исходить из того, какое количество электричества получил конденсатор при его заряде, таким количеством заряда мы можем воспользоваться. Одно утверждение официальной науки тут же демонстрирует её прорехи в другом. На осциллограмме показано, что площадь характеризующая количество зарядов при заряде конденсатора больше площади характеризующей её разряд. Если наука утверждает что количество зарядов одинаково, значит, чтобы за меньшее время в цепи разряда конденсатора прошло то же количество зарядов, их скорость должна быть выше. Носителями зарядов в проводниках принято считать электроны. Научный театр абсурда представляет - электроны не только переносят заряды, но и носятся по проводам с разной скоростью. При заряде конденсатора она одна при разряде другая.

Энергетики монополизировали понятие реактивной мощности и используют её в цепях с переменным током и определяют наличие реактивной мощности в энергосети если сдвиг фаз между током и напряжением отличается от эталона. Но остаётся неизменным в определениях энергетиков что, "если в цепи присутствует реактивный ток, то данный ток, протекая через резистор не вызывает его нагрев и не переходит в тепло". Тем самым энергетики подтверждают и доказывают ошибочность закона Джоуля-Ленца. При этом ни один уважающий себя энергетик не сможет продемонстрировать Вам на практике как такое возможно - электрический ток не создаёт тепло в активной нагрузке.

Электрическую энергию в эксперименте, которая заряжает конденсатор через нагрузку, верно считать реактивной, поскольку она не способна создавать иные виды энергии. Реактивная энергия может быть образована, по желанию, как при заряде конденсатора, так и при его разряде. Таким образом, в статье представлен генератор реактивной мощности, который, уверен, займёт достойное место в электротехнических устройствах.

Реактивная энергия, способ получения которой продемонстрирован в данном разделе, не создаёт в проводах джоулевый нагрев. Это означает, что целесообразно передавать не активную, как принято сейчас, а реактивную энергию и у уже у потребителя переводить её в активную. Потери при передачи энергии в линиях ЛЭП составляют около 1 кВт/км.

Технология достаточно проста, Вы можете убедиться в этом сами. Реактивную мощность вероятно следует передавать по одному проводу, "второй провод" - земля.

Стоит отметить, что по причине наличия реактивной мощности не способной произвести иные виды энергии и использование мошеннических схем расчёта Джоуля-Ленца в электросчётчиках такие схемы как супердвойка, уплотнитель мощности и их индуктивные аналоги для получения дополнительной энергии могут оказаться не эффективны.

Где конденсатор хранит заряд - научная ложь и реальность..

Опубликовано: 10/01/21

Приведу выдержку из учебника физики в котором предписано, а приказом Министерства образования и науки РФ утверждено что конденсатор должен хранить свой заряд на металлических обкладках.

...

Подобно присказкам в народных сказках - "Давным давно в допотопные времена...", наука обязательно включает в свои эпосы слова "Еще в древние времена люди заметили".

Но будьте максимально осторожны. Это действующий психологический приём работающий с подсознанием. Вы человек современный, значит умнее своих далёких в историческом плане и недалёких в умственном предков. Ваше подсознание даёт ориентир, раз более неразумные предки заметили, то для меня это очевидно. Психологический ход, к коему всегда прибегает наука, это троянский конь, который на короткое время блокирует механизмы иммунитета и контроля истинности подаваемой Вам информации. Этого момента достаточно, чтобы распахнуть сознание для лжи которой накормит Вас наука столовыми ложкам

Понаблюдайте за уровнем своего доверия к научной информации до начала историй о временах коня и колеса и после. Вы обнаружите как индикатор доверия к информации, независимо от Вашего желания, перемещается в зелёную зону. Поэтому как только слышите начало очередного исторического экскурса, переключайте своё сознание на другие вещи.

Давайте обратимся к истокам создания конденсатора и посмотрим что на самом деле писали и думали "древние люди" о том где находится заряд конденсатора в издании 1910 года "Электричество и его применения в общедоступном изложении.

Лейденская банка, исторический аналог конденсатора, была заряжена и разобрана. В разобранном состоянии обкладки были замкнуты. Таким образом, заряд на обкладках полностью исчез. После этого Лейденская банка была собрана и выводы металлических обкладок были закорочены, проскочила искра. Это однозначно доказывает, что заряд хранится в диэлектрике конденсатора, а не на его обкладках, как это принято в мифологии современной науки.

...

Сравните уровень подачи материала "далёкими предками" с современным учебником физики. Каждое утверждение "Предки" подвергают сомнению и проводят соответствующий опыт, даются простые, но точные аналогии. Это делает понимание сложных физических явлений простым, а чтение увлекательным.

Книга девятнадцатого века содержит пометки редакции, которая проверяет физику опытов, даёт собственные ссылки на дополнительные эксперименты подтверждающие хранение заряда конденсатора в диэлектрике.

Доказательства физиков наших дней, о нахождении заряда конденсатора на обкладках, сравнимы с ещё одним пособием для душевно больных: «По вере вашей да будет вам» (Мф. 9, 29).

...

Изобретателем плоского конденсатора считается Бенджамин Франклин. В его исследованиях одной из обкладок являлась ладонь экспериментатора. Он экспериментально доказал что заряд конденсатора находится в диэлектрике.

Франклин поставил перед собой задачу, решением которой никто до него не занимался: выяснить, какая часть этого с виду простого аппарата из стекла, металла и воды служит резервуаром для электрической энергии. Металлический стержень, вода или бутылка? Или их сочетание?

«Чтобы узнать, где именно аккумулируется энергия, мы поместили наэлектризованную бутылку на стекло, вынули пробку со стержнем. Затем взяли бутылку в одну руку и поднесли палец другой руки к отверстию в горлышке. Из воды выскочила сильная искра… Это доказывает, что энергия собирается не в стержне».

«…Тогда мы рассудили, что электрический заряд либо исчезает при переливании воды, либо остается в первой бутыли. Второе оказалось верным, так как при прикосновении к бутыли вылетали искры, хотя наполнена она была обычной ненаэлектризованной водой из чайника».

Франклин взял кусок простого оконного стекла и по краям его поместил тонкие полоски свинца. Это несложное устройство было наэлектризовано. Затем по очереди снял со стекла обе свинцом вые полоски и проверил. Изолированный от стекла свинец не давал искры. Но стоило прикоснуться к стеклу, как возникало множество искр. Таким образом Франклин пришел к конечному выводу: свойство собирать электрический заряд присуще стеклу.

В последствии нувориши воду в другую ёмкость переливать и демонстрировать там отсутствие заряда перестали. Так началась путешествие заряда с диэлектрика в остатки жидкости на стенках наэлектризованного сосуда, позднее заряд конденсатора оказался на металлических обкладках конденсатора.

Но что такого в том, и какая разница что современная наука лжет где именно конденсатор хранит свой заряд - спросите Вы? А как Вы отнесётесь к тому, если в магазине Вам продадут осетра с душком и на голубом глазу возьмутся доказывать, что всё оплаченное Вами наипервейшей свежести? Наверняка Вы захотите чтобы с этими дельцами плотно поработал уголовный кодекс. Но поскольку живём мы в интересном мире и в удивительное время, в случае претензий к науке, уголовный кодекс займётся Вами.

Что много хуже, Академики не только лгут Вам, но и кормят ложью детей, делая из них умственных инвалидов. Дети чувствуют любую ложь на генетическом уровне, поэтому физически не могут воспринять всю дурь, которую вколачивает им в головы образование. Это сказывается на оценках и успеваемости. Родители собственными руками, через систему наказаний и непрерывной зубрёжки ломают психику детей. В выигрыше Система, ей необходимы интеллектуальные калеки - это её питательная среда, которую Система получает без затрат и усилий, благодаря "стараниям" родителей, которые с усердием впихивают головы своих чад в прокрустово ложе образования.

В очередной раз держа в руках конденсатор спросите себя. Стоит ли доверять гражданину Соврамши? Настолько реальны постулаты, которые вбила через бездумную зубрёжку без экспериментальных подтверждений и тупое повторение в наши головы официальная "лженаука" во времена школы? Делается это не для того чтобы научить чему либо.

Искусственно перемещая заряд конденсатора на металлические пластины, стали невозможны исследования связанные с истинной природой электричества. Именно на это указывает учебник по физике девятнадцатого века - "возникают токи смещения, которые изменяют состояние самого диэлектрика".

Если Вы проверяете и принимаете доказательства физики девятнадцатого века что заряд находится в диэлектрике, для Вас становится очевидным почему заряд конденсатора зависит от свойств материала диэлектрика между пластинами.

Современные фарисеи перенесли заряд конденсатора с диэлектрика на металлические обкладки и вроде как диэлектрик на электрическое поле влиять не должен, если только ослаблять его. Но материал диэлектрика не только не уменьшает электрическое поле, а напротив, увеличивает заряд конденсатора. «Кривое не может сделаться прямым и чего нет, того нельзя сосчитать» (Еккл. 1:15). Одна ложь порождает собой другую, так у Фарисеев появилась поляризация диэлектрика. Вот уже больше ста лет, физики за эту ложь получают нобелевские премии, выпускают учебники, защищают диссертации.

...

Согласитесь, это высший уровень мастерства - зарабатывать на лжи. Но если Вы не учёный, не пытайтесь повторить это фокус, Вас обвинят в мошенничестве и отправят изучать нетуристические достопримечательности нашей страны. Если убрать электрическое поле, а поляризация не исчезает, то исчезнет миф о том, что заряд конденсатора хранится на его обкладках.

...

Что не так с поляризаций. Больший заряд диэлектрика формирует поле которое увеличивает заряд Q1 на обкладках за счёт находящихся вблизи электронов. Заряд на обкладках увеличился, это вновь должно создать продействие электрического поля в десятки раз большее и так бесконечно. Чтобы понять физику данных процессов обратитесь к работам известного учёного и исследователя барона Мюнхаузена: "Схватив себя за эту косичку, я изо всех сил дёрнул вверх и без большого труда вытащил из болота и себя, и своего коня, которого крепко сжал обеими ногами, как щипцами."

У читателя может возникнуть вопрос. Все расчёты современной физики основаны на модели хранения заряда на обкладках конденсатора, проверены не однократно и они верны. Значит модель современной физики хранения заряда на обкладках так же верна. Но напомню читателю, что все "современные" формулы электродинамики - это результат упорной работы учёных восемнадцатого-девятнадцатого веков. Максвелл создал всю современную электродинамику и оперировал тем, что заряд находится в диэлектрике. Именно поэтому формулы работают до сего дня и дают корректный результат.

В качестве доказательства хранения заряда конденсатором на обкладках оппоненты предлагают вакуумный конденсатор. Если вакуум это пустота, то как в нём может находиться заряд? Напомню что вакуум является идеальной средой для передачи энергии через электрические взаимодействия, суть - материя. Это значит что в любой момент времени вакуум "пустотой" не является, а представляет из себя вместилище колоссальных объёмов энергии электрческого и магнитного полей. Именно поэтому современная наука, рассматривает поляризацию вакуума, и делает это "по-современному" - как совокупность виртуальных процессов рождения и аннигиляции пар частиц в вакууме, обусловленных квантовыми флуктуациями. Виртуальный означает - возможный; условный, кажущийся. Всё просто, но помните „Всякую сущность следует анализировать в категориях логики, прежде чем совать в рот.“ — Вуди Аллен (Аллен Стюарт Кенигсберг)

  • Заряд конденсатор хранит в диэлектрике.

  • Приложенный к обкладкам конденсатора потенциал меняет электрические свойства вещества диэлектрика. (Вакуум это вещество способное хранить заряд и не имеет ничего общего с эфирными историями.).

  • Изменение электрических свойств вещества диэлектрика приводит к перераспределению зарядов в его структуре.

  • В процессе перераспределения зарядов в структуре диэлектрика образуются токи смещения.

  • Электрический ток источника питания никакого отношения к заряду конденсатора не имеет.

Разность потенциалов источника питания, через посредника - металлические обкладки конденсатора, воздействует на структуру вещества и изменяет его электрические свойства.

Когда Вы с силой упираетесь рукой в стену, где хранится энергия взаимодействия? В противодействии атомов и молекул? А дальше? Проведите мысленный эксперимент, во что перейдёт энергия молекулярного взаимодействия в итоге?

  • Энергия конденсатора заключена в диэлектрике, является потенциальной, потенциальная энергия находится за пределами реальности, состояние заряда конденсатора можно описать как не-локальное.

  • Следует обязательно отключить заряженный конденсатор от источника питания. Далее, в момент замыкания обкладок конденсатора происходит локализации (образование) заряда в нашем физическом мире. Это случается не мгновенно.

  • Локализация осуществляется средой и выражается в приведении параметров заряда конденсатора к физическим законам нашей реальности, например Imax=U/R.

  • Если прерывать процесс локализации заряда конденсатора в нашем пространстве, будет образована потенциальная энергия.

Чтобы согреть воды необходимо соблюсти массу условий. Найти 220 вольт, тэн, ёмкость для кипячения, заполнить ёмкость водой. После Вы включаете вилку в розетку и начинается нагрев. Тоже делает и среда - готовит заряд конденсатора. Классика же рассматривает процессы с момента когда уже Вы включили вилку в розетку. Понятно, что классическая наука никогда не покажет всю кухню, где происходит готовка. Кухня, это другое место, о нём знать не положено, как и о процессах там происходящих, а вдруг Вы научитесь готовить заряды конденсатора самостоятельно? Как ограничивает наука физические процессы и знания о них на практике будет продемонстрировано далее.

В публичном пространстве Вы легко найдете графики отражающие ток разряда конденсатора на нагрузку в зависимости от времени. Но посмотрите на график внимательно и скажите что в нём не так.

...

В момент замыкании цепи, ток по графику возник тотчас, сразу же, без приготовлений. Вспоминаем, что по классической теории электрический ток - это движение носителей электрических зарядов, электронов. Электроны имеют массу, а значит определенную инерцию, кроме того электрическая цепь обладает сопротивлением. Поэтому нулевому моменту времени на графике, должна предшествовать некоторая история - работа среды, локализующая заряд к физике нашего пространства.

Далее в видеоролике вертикальным курсором осциллографа показан процесс начала и завершения локализации заряда, длится эта история порядка 10uS. Красный луч показывает изменение тока на конденсаторе в момент начала его разряда. Синий - изменение напряжения на обкладках. Обратите внимание, что длительность разряда конденсатора меняется, но максимум тока, определяющий начало перехода в классическую область остаётся всегда неизменным и определяется по формуле I=U/R



В следующем видиоролике показано что произойдет если прервать процесс локализации заряда в физическом мире. Красный луч осциллографа показывает изменение тока, зелёный луч - длительнсть импульса прерывающего локализацию заряда в пространстве. Чем короче импульс, тем выше ток. Сравните с предыдущим роликом. По классике, максимум тока должен быть всегда неизменным и определяется по формуле I=U/R.



В материальном проводнике возникают нелокальные токи которые выполняют локализацию (адаптацию) заряда к физике нашего пространства. Прерывая процесс локализации, в проводнике формируются токи нелокальной природы, которые тем больше, чем короче импульс и ограничены бесконечностью.

Как увеличить энергию конденсатора.

Опубликовано: 25/09/23

В данном разделе будет показано как можно увеличить напряжение конденсатора без использования энергии источника питания. Энергия конденсатора с ростом напряжения увеличится квадратично - W = C*U^2/2.

Работа уплотнителя мощности основана на том, что заряд конденсатора осуществляется через резистивную нагрузку EL1. После того как конденсатор заряжен до заданного значения максимума начинается его разряд до предустановленного минимума.

...

Синий луч осциллографа в видеоролике показывает изменение напряжения на конденсаторе. Жёлтый луч - высокий уровень - заряд конденсатора. В начале ролика время заряда конденсатора равно времени его разряда. Лампы EL1 и EL2 светятся одинаково, затем экспериментатор поднимает напряжение прекращения разряда конденсатора и начало его заряда от источника питания - минимальное значение амплитуды синего луча осциллографа поднимается вверх, частота циклов заряд-разряд увеличивается.

При просмотре видеоролика обращайте внимание что лампа, через которую происходит заряд конденсатора, гаснет, ток потребления от источника питания также уменьшается. Напротив, лампа которая работает от заряда конденсатора светит ярко. Это значит, что конденсатор способен отдавать энергии больше чем получает от источника питания и Вам вряд ли удастся найти научное объяснение данному факту.


Следует понять что конденсатор обладает энергией, которая при её использовании - разряд на нагрузку EL2, не связана с энергией источника питания. Ключи через которые происходит заряд и разряд конденсатора работают в противофазе. Между выключением одного ключа и включением другого установлена задержка.

Давайте внимательно рассмотрим осциллограмму в конце ролика, когда EL2 свется ярче, чем EL1. При том что EL2 использует энергию конденсатора, а EL1 использует энергию источника питания.


Мощность электрического тока можно выразить через напряжение P = U^2/R - синий луч осциллографа. Работа источника питания по заряду конденсатора (высокий уровень управляющего сигнала - жёлтый луч осциллографа) многократно больше чем площадь отражающая работу совершающего конденсатором при его разряде. При этом лампа EL1 наглядно демонстрирует что энергии тепла и света электрический ток не образует.

В экономическом плане с нас берут деньги за энергию которой не существует в природе. Мы платим за математическую фикцию, которая не даёт нам ни тепла ни света.

Но при этом мы наблюдаем явление, требующее изучения. Электрический ток формирует заряд конденсатора, но при этом на резистивной нагрузке и полупроводниковом ключе тепловой энергии не образуется. Стоит вспомнить закон Джоуля — Ле́нца — физический закон, дающий количественную оценку теплового действия электрического тока, который в случае с энергией источника питания, используемой для заряда конденсатора не работает.

...

Далее в схему внесены изменения, нагрузка EL2 заменена на индуктивность. После прерывания процесса заряда конденсатора ключом S2 образуется потенциальная энергия, которая заряжает конденсатор C2, через диод шоттки.

...

Чем выше заряд конденсатора, тем большей энергией он обладает. В видеоролике далее показано как и до каких значений возможно зарядить буферный конденсатор. Таким образом, тридцать вольт исходного заряда конденсатора C1 преобразуется в высокое напряжение буферного конденсатора C2. Энергия источника питания в данном преобразовании не участвует.


Сколько циклов требуется для увеличения потенциала буферного конденсатора требует дополнительного изучения. Но можно с уверенностью сказать, что её больше чем предоставляет источник питания. Энергия источника питания пидёт только на нагрев EL1, всё остальное налогами и законом сохранения энергии не облагается.

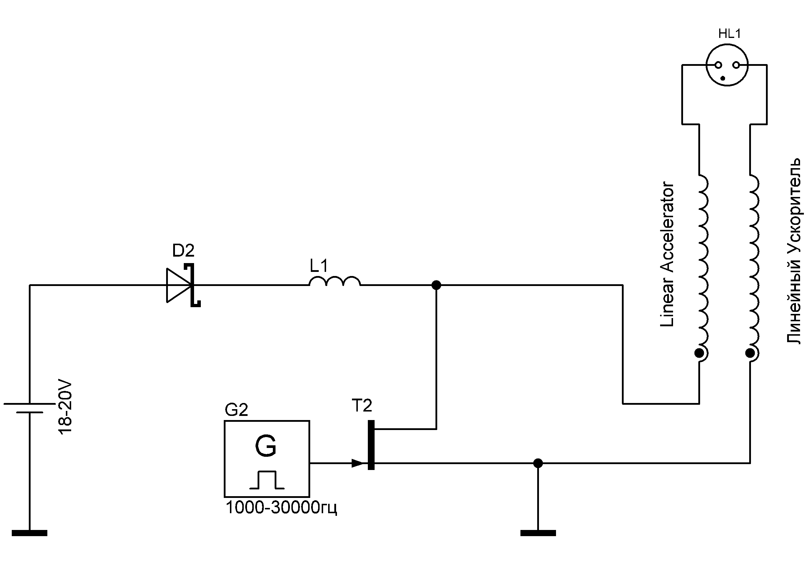
Разрядник в электрической цепи.

Опубликовано: 21/10/18

Лампа подключена к двум произвольным точкам проводника и светится. Создаётся впечатление что участок медной шины выступает в роли источника питания. В данной цепи процесс локализации заряда конденсатора прерывается искрой высоковольтного напряжения. Вы легко сможете получить и наблюдать подобный эффект в низковольтной цепи, прервав процесс локализации заряда.

Чем короче импульс разряда конденсатора после его отключения от источника питания до момента стабилизации в пространстве, тем выше значение энергии в проводнике. Таким образом, используя лавинный режим работы транзистора, позволяющий формировать импульсы разряда конденсатора в 2-4ns можно получить значительные токи в проводнике.

В ролике из основного раздела Вы можете видеть, что при уменьшении длительности импульса потребление от источника питания прекращается, конденсатор при этом заряжается. Это проявление энергии образованной в момент прерывания процесса энергообразования, ток при этом в электрической цепи не образуется.

Надо понимать и держать в сознании тот факт, что среда запускает процесс локализации заряда в нашем пространстве как только Вы соедините обкладки конденсатора проводником электрического тока. И если замкнув, Вы тут же размыкаете конденсатор Вы получаете иной вид энергии в материальном мире. Вы можете зажечь как 10 ваттную лампу так и заставить работать киловаттный обогреватель. Видеороликов в интернет найти по этой теме можно множество.

Рассмотрим схему эксперимента. Заряд конденсатора осуществляется через EL1 при замкнутых ключах S1 и S2 и разомкнутом ключе S3. Разряд конденсатора осуществляется через EL2 при замкнутом ключе S3 и разомкнутых ключах S1 и S2. На практике ключ S2 Не используется. Ключ S1, через который осуществляется заряд конденсатора, управляется первым выходом лабораторного генератора. Ключ S3 через который осуществляется разряд конденсатора подклюючен ко второму выходу лабораторного генератора. Сигналы управления смещены друг относительно друга так, чтобы моменты заряды и разряда конденсатора не пересекались.

На частоте 5 кГц и более установим длительность в течении которой конденсатор заряжается порядка 40% (желтый луч осциллографа). Длительность импульса который управляет разрядом конденсатора - 1% (синий луч осциллографа). В видеоролике показано, что лампа накаливания через которую осуществляется заряд конденсатора не горит, в тоже время, лампа EL2, через которую конденсатор разряжается горит. Это говорит о том, что в конденсаторе образуется энергия больше той, которая проходит по электрической цепи через EL1 от источника питания пока конденсатор заряжается.



Изменение напряжения на конденсаторе одинаковы при разряде и его заряде. Площади фигур по току заряда и разряда на осциллограммах равны, значит работа которую затратил источник, заряжая конденсатор через нагрузку, равна работе, которую совершит конденсатор разряжаясь. Вопрос. Почему лампа через которую заряжается конденсатор не горит, а лампа, через которую идёт разряд конденсатора - горит. Ответ на этот вопрос лежит на поверхности. Что различает процессы заряда и разряда конденсатора в данном эксперименте?

Если убрать из цепи лампу накаливания и вместо неё использовать проводник, то при настроенных длительностях заряда (жёлтый луч) и разряда (синий луч) в цепи конденсатор, индуктивность проводника, источник питания начинаются токовые гармонические колебания. Зелёный луч - изменение тока на заряжаемом конденсаторе.Верхняя часть токовой эпюры - ток от конденсатора, нижняя часть ток от источника в направлении конденсатора.



Питание схемы осуществляется от сети переменного тока 220V, выпрямленного диодным мостом. В данной схеме для сглаживания пульсаций после выпрямления переменного тока использовать электролитические конденсаторы не следует. Электролитические конденсаторы нагреваются, из них начинает вытекать изолятор, затем конденсаторы начинают сильно дымиться и вздуваются. На видеоролике показано изменение сигнатуры тока (красный луч) на пусковом конденсаторе 100мкФ сразу после диодного моста. Нижнюю часть синусоиды следует рассматривать как зарядный ток от источника к заряжаемого конденсатору, верхняя часть, ток идёт к источнику.



Несмотря на значительные токи, приведшие к выходу из строя электролитических конденсаторов, проводник, через который заряжается конденсатор остаётся на удивление холодным, как и транзистор который управляет зарядом конденсатора.

Энергия электрического тока.

Опубликовано: 21/10/18

...

Сколько энергии запасено конденсатором, столько он способен отдать в нагрузку при своём разряде. Так вкратце звучит официальная трактовка процесса заряда и разряда конденсатора. Но а каковы реальные процессы происходящие в конденсаторе?

Наука утверждает, что электрический ток, проходя через тепловые электронагревательные приборы, расходует свою энергию на образование иных видов энергий - тепло либо свет. Так ли это? Вспоминаем назначение и принципы работы устройства защитного отключения (УЗО) которое ответствует за то, что сколько зарядов вошло в квартиру столько и вышло. Если в квартире возникает малейшая утечка зарядов, УЗО фиксирует разницу и отключает электрический ток через Вашу квартиру незамедлительно.

Подводя итог. Сколько электрических зарядов вошло в электрический прибор, столько его и покинуло - аксиома, поэтому говорить о преобразовании одного вида энергии в другой не только бессмысленно, но и глупо. Можно говорить лишь о том, что движение зарядов являются причиной образования иных видов энергии и определяются свойствами материалов подверженных воздействию электрического тока.

Потери энергии тока при прохождении через конденсатор измеряются тангенсом угла потерь, зависят от используемых материалов, технологии изготовления и для современных конденсаторов не превышают 0.002 процента.

Чтобы в конденсаторе образовался заряд через него необходимо пропустить электрический ток. Наличие тока в цепи является условием формирования потенциальной энергии взаимодействия зарядов на диэлектрике конденсатора. Важно понимать, что электрический ток, пройдя через конденсатор, энергию не теряет. (По размышлениям на 25.09.21 картина представляется несколько иной. Потенциальная энергия образует заряд на диэлектрике, это является причиной образования тока в цепи.)

Ещё раз разберём процесс заряда конденсатора. Подключаем конденсатор к источнику питания, ток без потерь проходит через конденсатор и заряжает его. Энергия источника питания на заряд конденсатора не тратится. Это значит что энергия которая прошла через конденсатор в полном объёме ушла на минус, а значит была растрачена бессмысленно.

Вспоминаем пример с велосипедистом на вершине горы. Не зачем ему скатываться с горы порожняком и меняем схему. Включим последовательно конденсатору нагрузку - ТЭН или электролампу. В практическом плане это даёт следующее. Пока конденсатор заряжается током проходящим через электронагреватель, на нагревателе формируется тепловая мощность. Транзит этой энергии "оплачивается" по электросчётчику. После того как конденсатор зарядится, мы физически отключаем его от электросети и подключаем к конденсатору лампу накаливания либо нагреватель. На нагревателе выделится такой же объём тепловой энергии, что уже образовалась при заряде конденсатора. Но за эту порцию тепла мы уже не платим, электросчётчик отключен. Таким образом мы получим двукратную экономию денежных средств при оплате счетов за электричество. Данный механизм экономии использован в практической реализации схемы уплотнителя мощности.

...

Ресурс движения зарядов через конденсатор использован дважды - для образования тепла и света в лампе накаливания, далее ток проходит через конденсатор и полностью его зарядит. То что на заряд конденсатора тратится энергия источника - один из мифов классической науки, который легко опровергается практикой.

Наука берёт энергию заряженного конденсатора W=CU^2/2 (джоуль) и работу источника питания по перемещению зарядов в электрической цепи постоянного тока A=Q*E (джоуль). И хотя в цепи с конденсатором не может быть постоянного тока, это никого не смущает и формулы приравниваются.

...

Если на клетке слона прочтёшь надпись «буйвол», не верь глазам своим, а подключи вольтметр к конденсатору, который заряжается через резистор. Напряжение на конденсаторе изменяется по экспоненте от нуля до Umax. Это значит, что формулу A=Q*E для определения работы совершаемой источником использовать непростительно. E - величина переменная, не константа, и изменяется от нуля до максимума по экспоненте. Бесспорно и то, что по мере заряда конденсатора электрический ток в цепи уменьшается, значит и количество зарядов Q, переносимых источником питания пока конденсатор заряжается также не является константой. Конденсатор ограничивает ток в цепи, тем что заряжается сам, никаких потерь энергии, как было показано на примере с УЗО, не существует.

  • Природа препятствует прохождению тока через конденсатор тем что формирует потенциальную энергию, выраженную в заряде конденсатора.

  • Пока конденсатор заряжается ресурс движения зарядов в электрической цепи необходимо использовать.

  • Замыкая обкладки заряженного конденсатора, мы локализуем потенциальную энергию, образуя электрический ток в цепи.

Работа которую совершает источник питания заряжая конденсатор через нагрузку и без неё остаётся неизменной. Чтобы убедиться в этом воспользуйтесь калькулятором, перейдя по ссылке. Обратите внимание, что резистор, через который заряжается конденсатор, влияет только длительность заряда конденсатора.

Какой прок в потенциальной энергии лодки, которая качается на волнах и меняет высоту от уровня моря пребывая на поверхности? С научной точки зрения никакой, но до той поры, пока не было реализовано устройство, получающее электроэнергиию из океанских волн.


...


Примеров потенциальной энергии множество. Изучая данную тему, проводя эксперименты, Вы обретаете потенциал и получаете возможность реализовать устройство. В процессе работы Ваши усилия увеличивают потенциальную энергию выбранной предметной области, которая неизбежно воплотится в Реализации.

Запущенные Вами процессы накопления потенциальной энергии начинают вовлекать ресурсы реального мира. Вы это наблюдаете во множестве мелочей которые появляются случайно, из "ниоткуда", но способствуют продвижению Вашей работы. Поэтому ни в коем случае нельзя бросать начатые дела, накопленная потенциальная энергия и уже запущенные процессы реального мира обернутся против и проявят себя в негативном для Вас свете.

Хотя помощь Вам со стороны Вселенной Возможностей будет оказана в любом случае, появление "подспорья" в физическом мире Вы можете использовать как целеуказатели верного пути к поставленной цели, работа спорится.

Приведённые примеры должны натолкнуть Вас на мысль о природе потенциальной энергии. Лебедь, рак, да щука. Результатом физического взаимодействия персонажей, явилось образование потенциальной энергии, которой не существует в реальном мире, но которая препятствует движению обоза в любую из сторон в физической вселенной.

В примерах показано, что границей перехода является условие равновесия, достигнутое в результате взаимодействия сил реального и нашего мира. При достижении данного равновесия энергия физического мира переходит в потенциальную энергию возможностей. Граница равновесия в древнерусском называется Аль. Современным синонимом слова является "или". Плохой аль хороший? По своим аль по чужим делам?" Альбатрос способен пролетать тысячи километров, паря над океаном. АЛЬ - близость к равновесию. БА - усиление. ТРОС - буквально - скрученная нить, тоесть, четко определенный путь.

Аль объеденяет противоположности, являясь границей перехода, отражающей возможности в нашем мире, нематериальным пространством равновесия, началом.

Осознав для себя как реальность существование Великого Ничто, Вам возможно будет понять как Ваши желания, подкреплённые действием, проходя через призму Вселенной Возможностей, формируют очередной кадр будущего, оживляя мир, придают ему смысл

Потенциальная энергия нематериальна, но проявляет себя в процессах установления равновесия противодействующих сил физической природы. Подобно несуществующему для глаза стеклу, которое отделяет внешний мир и среду Вашего дома, Потенциальная Энергия очерчивает контуры реального мира, устанавливая равновесное состояние разнонаправленных сил в каждом атоме и формирует материю и реальность физического мира.

На сколько был неправ Лейбниц, настаивая на существовании живых энергий внутри всех материальных вещей? Он утверждал, что материю заставляет двигаться заключенная в ней внутренняя сила, «vis viva». Определите для себя, где заключена эта живая сила? В физическом мире мертвой материи или в нематериальной вселенной возможностей?

Трудно сказать что такое энергия Жизни, Жизненная энергия, но желания, для их воплощения в сущности данного мира, требуют быть наполненными хотя бы крохами ею, что остались в этом мире.

Потенциальная энергия не имеет материальной основы, но образует физическую сущность миров через равновесие противодействующих, несовместимых сил разной природы.

Механизм формирования миров показан на фресках cобора Парижской Богоматери. Разум, созданный творцами, оценивает возможности и, перебирая варианты, объеденяет пространства несовместимой природы. В случае успеха, при достижении равновесия, формируется новый мир иной сложности и возможностей. В переходе в новое качество заинтересованы оба мира.


...


Собор Парижской Богоматери.

Статья носит образный характер и призвана продемонстрировать что материальное устройство – "волшебная палочка" реально. После завершения работы по её созданию, Вы сможете извлекать из нематериального пространства возможностей материальные предметы.

Взыскательных читателей прошу сделать скидку на допущенные упрощения и ошибки. Например, что камень, лежащий на земле, не обладает потенциальной энергией, на попытки ввести количественные характеристики потенциальной энергии, такие как больше или меньше, накопление потенциальной энергии, что в принципе неверно и невозможно.

Реактивная энергия и реактивная мощность.

Опубликовано: 24/01/19

Если попытаетесь разобраться с данной темой, то объективная информация о том, что такое реактивная мощность и энергия отсутствует либо искажена. Можете пробежаться взглядом по одному из описаний, любое иное ничем не лучше или не хуже:

В цепях постоянного тока значение мгновенной и средней мощности за какой-то промежуток времени совпадают, а понятие реактивной мощности отсутствует. В цепях переменного тока так происходит только в том случае, если нагрузка чисто активная. Это, например, электронагреватель или лампа накаливания. При такой нагрузке в цепи переменного тока фаза напряжения и фаза тока совпадают и вся мощность передается в нагрузку.

Если нагрузка индуктивная (трансформаторы, электродвигатели), то ток отстает по фазе от напряжения, если нагрузка емкостная (различные электронные устройства), то ток по фазе опережает напряжение. Поскольку ток и напряжение не совпадают по фазе (реактивная нагрузка), то в нагрузку (потребителю) передается только часть мощности (полной мощности), которая могла бы быть передана в нагрузку, если бы сдвиг фаз был равен нулю (активная нагрузка).

От статьи к статье вместо ответа на простой вопрос что такое реактивная энергия, рассуждения будут переводиться на геометрию сигнатур тока и напряжения. Искажение сигнатур тока и напряжения электросчётчики по формулам пересчитывают в некую виртуальную мощность, называют её называют реактивной и берут за это деньги. Но как станет понятно из дальнейшего описания всё это откровенная глупость.

Смысл работы конденсатора заключён не в академических трактовках, а в названии типа элемента - реактивный. (ново-лат., от reagere - противодействовать). Буквально - элемент противодействующий прохождению электрического тока. Противодействие прохождению электрическому току вызвано перераспределением зарядов на обкладках конденсатора, тоесть процессом заряда конденсатора. При этом никаких иных видов энергии, тепловой, световой, звуковой и так далее, характеризующий активные виды нагрузок не выделяется. Потерь энергии источника питания при прохождении тока через конденсатор не возникает, и при этом, Вы не поверите, конденсатор оказывается заряженным. Конденсатор, в отличии от энергетиков, не взял с Вас ни цента, но на его обкладках образовался реальный заряд.

...

Сам конденсатор является устройством на котором образуется прибавка природной энергии. Если Вы замыкаете ключ K в положение 1 на резисторе выделяется мощность Q1. Конденсатор при этом заряжается, не потребляя энергии от источника питания. После того как Вы переключаете ключ в положении два на резисторе выделяется мощность Q2. Это и есть свободная энергия, которую Вам предоставила природа.

Подобного не происходит если Вы меняете схему включения конденсатора на ту что показано ниже. В этом случае Вы впустую тратите электрический ток, который могли бы использовать для получения тепла, как в первом случае.

...

Вы подставили пустую ёмкость под дождь, она наполнилась водой. После Вы собственноручно выплёскиваете из ёмкости жидкость, заглядываете в чашку и искренне удивляетесь почему чаша пуста? То же и с зарядом конденсатора. Природа заполонила его свободной энергией, вы её выплёскиваете и спрашиваете, а где чудо?

Какой элемент известен ещё как реактивный? Индуктивность. Процессы происходящие в индуктивности аналогичны конденсатору. При прохождении тока через индуктивность образуется магнитное поле которое противодействует увеличению тока. Противодействие прохождению электрическому току индуктивностью - это следствие возникновения магнитного поля. Никаких иных видов энергии, приводящих к потере энергии источника питания при прохождении тока, до момента насыщения, через индуктивность не возникает.

Магнитное поле индуктивности и заряд конденсатора - реактивные виды энергий образованные в результате прохождения тока. На образование реактивной мощности энергия источника питания не затрачивается. Пример практического использования реактивной энергии - уплотнитель мощности.

Использование и популяризация реактивных видов энергии пресекается на всех уровнях, так как приведёт к потере доходов энергогенерирующих компаний и очень скоро сделает не состоятельным само их существование.

Если провести аналогию между конденсатором и аккумулятором, то энергетики берут с вас деньги дважды. Первый раз Вы платите деньги за то что зарядили аккумулятор и второй раз, гораздо большую сумму, за то, что энергия заряженного аккумулятора Вами не используется, а направляется обратно в электрическую сеть.

Геометрия сигналов в электрический счетчик введена для того, чтобы по смещению тока и напряжения электричсекий счётчик смог определить наличие в Вашей электросети конденсатора или индуктивности, математички рассчитать и насчитать сумму за "неиспользование" свободной энергии образованных в реактивных элементах.

Как только Вы создаёте устройство которое способно использовать свободную энергию заряда конденсатора или индуктивности, Вы не будете платить энергетикам за реактивную энергию и получаете двукратную экономию денежных средств за счёт использования свободной энергии образуемой реактивными элементами.

Уплотнитель мощности не искажает фазовае соотношения сигналов тока и напряжения, реактивная мощносить в сети при использовании уплотнителя мощности отсутсвует, COS фи близок к единице, расходы на электроэнергию снижаются в двое.

Использование потенциальной энергии.

Опубликовано: 30/10/18

Выше показано, потенциальная энергия безгранична. Как воспользоваться этой энергией? Нарушить установившееся равновесие. В результате образуется одна из форм движения материальных частиц, это также и ядерные реакции, протекающие при взаимодействии ядер с нейтронами.

Второй способ - организовать встречное взаимодействие. Удар молота по твердой поверхности приводит к выделению тепловой энергии. Тоесть одним из проявлений потенциальной энергии, возникшей при установлении равновесия, явлется тепло.

На данном сайте показано, что результатом встречного взаимодействия магнитных полей является проявление потенциальной энергии в виде образования энергий иной природы, по каким-то причинам игнорируемых наукой.

Данный факт занимателен ещё и тем, что при научном фанатизме сталкивать всё и вся, выше приводился верх совершенства - адронный коллайдер, тема встречного взаимодействия магнитных полей и токов находится под запретом, искажаются очевидные вещи, вводятся бессмысленные законы и понятия.

Но а раз так, именно с этим следует детально разбираться, игнорируя те направления, которые продвигаются и описаны научной средой. Это стопроцентные пустышки.

Встречное взаимодействие магнитных полей.

Опубликовано: 26/05/17

Понятие "встречное" в рассматриваемом типе устройстве - это столкновение "лбами" двух фронтов. Хлопок в ладоши. В момент удара кинетическая энергия движения переходит в потенциальную энергию. Следствием этого является образование звуковых волн и иных форм энергии. Энергия не исчезает бесследно, как это принято, вопреки логике и здравому смыслу в среде официальной электродинамики.

Электрическая цепь состоит из генератора сигналов, источника питания постоянного тока, схемы управления транзисторным ключом и трансформатора, состоящего из катушек L1 и L2 - встречные намотки на ферритовом кольце.

Между L1 и L2 включены диоды (КЦ109А) и шунт (Rш) для оценки изменения тока в цепи. Чтобы максимально исключить влияние электросети, источник питания, генератор, питание схемы управления осуществляются через разделительный трансформатор.

...

Источник питания позволяет менять напряжение от 0 до 60 вольт и ограничивать ток. К источнику питания подключена автомобильная лампа накаливания 12V*4W. Лампа начинает гореть при напряжении в районе 10 вольт. Амперметр источника питания в рабочем состоянии, ток потребления лампы накаливания 100 ма.



Трансформатор представляет из себя ферритовое кольцо на которое намотаны две катушки, каждая из которых расположена на своей половине кольца. Одна катушка намотана по часовой стрелке, другая против часовой стрелки. В английской интерпретации это CW/CCW намотки. Провода одинаковой длинны от пятнадцати до двадцати метров. Провод мотаем до конца катушки, далее прямым проводом по внешнему радиусу кольца возвращаемся к началу и повторяем намотку. Влияния количества витков, используемый материал проволоки, наличие изоляции, толщина медной проволоки на эффективность работы трансформатора не изучены.

Материал феррита - карбональное железо, цвет маркировки красная + чёрная. Хочу предостеречь от использования высокочастотных ферритов. В рассматриваемой схеме его использование неоправданно и малоэффективно.

Исследуемый трансформатор представляет собой разновидность бифилярных намоток. Более сотни лет назад в патенте на бифилярные намотки Никола Тесла указал, что его изобретение предназначено для нейтрализации ЭДС самоиндукции (to neutralize its self-induction). Вам понятно, что это означает, что магнитное поле не запасается индуктивностью и следовательно нет преобразования запасённого индуктивностью магнитного поля в электрическое.

К сожалению, столь простая истина, которой более сотни лет, подтверждаемая экспериментом, не рассматривается официальной средой и в большинстве недоступна для осознания. За счёт чего достигается нейтрализация ЭДС самоиндукции и для каких целей это необходимо будет показано далее.



С генератора сигналов в схему управления электронным ключом подаются прямоугольные импульсы с коэффициентом заполнения 50%. Драйвер в схеме инверсный, поэтому коэффициенту заполнения (duty cycle) в 100% соответствует полное отсутствие питания.

Чтобы оценить характер тока, проходящий через трансформатор, левая и правые намотки соединены через шунтирующее сопротивление для токовых измерений. Изменение напряжения на сопротивлении в 25mv эквивалентно изменению тока в один ампер. К шунтирующему сопротивлению подключен синий щуп осциллографа .

Чтобы оценить наличие магнитного поля, вокруг катушки намотаны витки индуктивной связи (жёлтый провод), При возникновении магнитного поля, в витке связи будет сформировано ЭДС индукции, которую отобразит осциллограф.

На фотографмии ниже показано, что ток (синий луч) на шунтирующем сопротивлении увеличивается до какого-то значения, затем резко падает до нуля. В момент изменения тока от максимума к минимуму на витке индуктивной связи фиксируем всплеск магнитного поля (жёлтый луч).



Магнитное поле, на всём участке роста тока отсутсвует, а формируется в момент закрытия ключа (прекращение тока в цепи). Данные факты официальной наукой не рассматриваются.

Движущиеся заряды формируют вокруг проводника магнитное поле, которое создаёт ЭДС в катушке на ферритовом кольце, внури которой проходит данный проводник. Это принцип работы татчиков тока, который был установлен между левой и равой катушками.

Датчик тока (жёлтый луч) показывает что магнитное поле в отдельно взятом проводнике есть. Как и в случае с шунтирующим сопротивлением, ток растёт, но виток индуктивной связи (синий луч) фиксирует полное отсутсвие магнитного поле вокруг ферритового кольца со встречными катушки,



Магнитное поле индуктивностью не запасено, очевидно, что и ЭДС самоиндукции (ОЭДС) невозможна.

Магнитное поле индуктивностью не запасается что далее? Далее происходит выключение ключа. В тот же момент из "ниоткуда" возникает магнитное поле, которое и фиксирует осциллограф как импульс. Важно понять что данное магнитное поле не было запасено индуктивностью на этапе роста тока, до момента закрытия ключа. Можно сказать, что данное магнитное поле формируется внешними (нелокальными) процессами.

  • Эксперимент демонстрирует, что на этапе роста тока во встречных катушках магнитное поле отсутсвует, индуктивностью не запасается, значит ЭДС самоиндукции невозможна.

  • В момент выключения ключа единомоментно образуется магнитное поле, которое формируется внешними (нелокальными) процессами. Можно сказать, что любое "МП" локально, точнее, МП не бывает не-локальным. Это следствие локализации.

Чтобы окончательно утвердиться в моменте времени возникновения импульса напряжения на витке связи перенесём один щуп осциллографа на затвор полевого транзистора. Импульс магнитного поля возникает после закрытия транзистора, но в трансформаторе со встречными намотками магнитное поле индуктивностью запасено не было, а значит ЭДС самоиндукции невозможно. Противоречие? Если расширить рамки восприятия, то нет.



Локальный и нелокальный процессы.

Опубликовано: 29/05/2017

Выше вводятся понятия локальный и нелокальный процессы. Не претендую на авторство, могу лишь отметить новый, значительно более широкий и точный взгляд на мироздание.

Вы живёте в загородном доме, территория участка обнесена забором. Это Ваше локальное пространство.

Вас утвердили в безумии, что Мир ограничен территорией Вашего участка и вне его ничего не существует.

Однажды, осматривая территорию своего участка, Вы обнаруживаете там Нечто, чего ранее не было, совершено иное. Поскольку Вам навязан Шаблон ограниченной модели Мира, новое Нечто вызовет Стресс, Панику, Агрессию и включит мехнизмы отторжения очевидного. В итоге Вы придадите новому, нелокальному явлению подтертые очертания обыденного или попросту не заметите его.

Вам понятно, что опосредовано, через коррекцию восприятия, подменяется источник происхождения магнитного поля? Но даже если что-то, вне пределов вашего замкнутого пространства и существует, то оно обязательно враждебно. Данная идея (Шаблон-Паразит) заносится и фиксируется в Вашем сознании через видео продукцию и литературу. Как следствие, падающий в бездну будет отбиваться от протянутой руки помощи, поскольку уверен, что находится на верном пути, а рука "врага" не приведёт к спасению.

Вам понятно, что сознание, наполненное ложными представлениями, будет считать источником Магнитного поля, изменение тока в цепи? Хотя во множестве и показано, что Магнитное поле формируется нелокальными процессами, выписаться из палаты №6 будет не просто.

Какие идеи привнесены и поощряются наукой по рассматриваемой теме оэдс? Возникший после открытия ключа ток формирует магнитное поле в пространстве дросселя. В этом магнитном поле запасается энергия. После закрытия транзисторного ключа запасенное магнитное поле преобразуется в электрический ток.

Данное описание вредоносно не тем, что это поддерживаемая на всех уровнях ложь. А тем, что показывает процесс как полностью локальный - происходящий последовательно здесь и сейчас - в закрытой системе. К закрытой системе применим закон сохранения энергии. Сколько энергии будет запасено в магнитном поле, столько энергии и будет возвращено в электрическую цепь.

На разных типах катушек индуктивностей показано, что ни о какой непрерывности энергообразования речи не идет, а магнитное поле в пространстве дросселя это результат работы нелокальных процессов, процессов иной мерности. Система не является закрытой и разговоры о законе сохранения энергии несостоятельны.

Понимание и принятие нелокальности процессов, описываемых как ОЭДС, ставит вопросы иного уровня. Что за процессы, можно ли используя их получить энергии сколько необходимо, как это сделать. Новый вектор развития способен не только разрушить колосса науки на глиняных ногах, но и проявить сущностей иных генераций и их намерения, что в принципе недопустимо.

Если обобщить сведения из различных источников. Мир простирается не только в длину, высоту и ширину. Но и в сторону увеличения мерностей. Границы мерностей проходят не за краем вселенной, а пронизывают всё сущее. Попытки преодолеть границу мерностей с любой стороны запускают нелокальные процессы защиты пространств. Формируемый рост потенциала и последующее прерывание процесса энергообразования является процессом-нарушителем границ мерностей, запускающим нелокальные процессы. Посмотрите на силу гравитации под иным углом - как на высокоэффективную охранную систему, стража, не позволяющего биоценозу покинуть его место пребывания.

Проще простого.

Опубликовано: 04/11/18

В данном разделе содержатся наблюдения в которых подключение активной нагрузки снижает общий ток потребления от источника питания. В качестве индуктивности взят соленоид в котором второй слой провода намотан поверх первого в том же направлении.

Частоту переключения и скважность электронного ключа определяют возможности используемых транзисторов как по току так и по напряжению. В данной схеме выбрана частота 19,6kHz, длительность включения 10%. Максимум тока в 0,26А ограничивает источник питания.

...

Ток холостого хода при выбранных параметрах частоты и скважности равен 0,12А. Если выполнить короткое замыкание вторичной обмотки, ток потребления вырастает и ограничивается источником питания.

...

Если подключить лампу накаливания 12V*4W ток потребления также увеличивается. Но стоит обратить внимание на тот факт, что лампа накаливания горит в полный накал при увеличении тока потребления на 0.04А * 40V = 1,6W.

Если подключить лампу накаливания через диод, то ток потребления падает. Анод диода следует подключать к выводу, который расположен там, где к первичной обмотке подключается плюс электронного ключа. При обратном включении ток потребления также будет увеличиваться.

...



Используя диод можно заряжать конденсаторы. Верхняя граница заряда определяется техническими параметрами прибора. Специфика образованной энергии позволяет заряжать конденсаторы от десятков, до тысяч вольт. Ток потребления, в процессе заряда конденсатора падает. Ёмкость конденсатора определяет время его заряда.

...

Вы также можете удостовериться в том, что конденсатор способен заряжаться самостоятельно, без подключения к источнику питания. Зарядите конденсатор до 700 вольт, соблюдая осторожность отключите его от соленода и разрядите конденсатор коротким замыканием. Зарядив конденсатор до 200-300V, можете разрядить его, подключив лампу накаливания. На вольтметре Вы будете наблюдать, как заряд конденсатора восстанавливается, в моём случае до тридцати вольт.

Проще простого. Неоновая лампа

При достижении напряжения зажигания на электродах лампы в ней возникает тлеющий разряд. Если подключать неоновую лампу поочередно к выводам вторичной обмотки, то неоновая лампа светиться на выходе противоположном выводу первичной обмотки к которому подключен "полюс" источника питания.

Это свидетельствует о наличии градиента, неравномерной напряженности магнитного поля в витках как вторичной так и первичной намотки соленоида.

...

Проще простого. Нагрузка индуктивной связи.

Если Вы попытаетесь измерить напряжение на витках связи, не подключая нагрузку, то напряжение на выводах будет полностью отстутствовать. Поверить в это невозможно, но зато очень просто проверить. Ток потребления, после подключения нагрузки, так же остаётся без изменений.

...

Просмотреть видео.

Помимо снижения тока потребления при подключении активной нагрузки на видео показано, что если к "плюсу" электронного ключа подключить заземление, то яркость свечение лампы накаливания значительно снижается. Образуется переток энергии с соленоида на землю. Можно сказать что не вся энергия участвующая в свечении лампы носит электромагнитный характер, тоесть формируется через индуктивную связь. О разной природе энергий в пространстве соленоида свидетельствует и неоновая лампа, которая ветится только в области, подключенной к минусу источника питания.

Электрический ток возникает и при установке нагрузки а виде лампы накаливания между выходом вторичной и точкой подключения к ключу первичной обмотки.

Схемы на иных физических принципах.

Опубликовано: 08/11/18

Областью применения предлагаемой схемы, основанной на иных физических принципах - использование энергии, полученной в результате прерывания процесса энергообразования, является построение преобразователей для светодиодных осветительных приборов. Ток потребления регулируется скважностью включения электронного ключа.

...

Видео работы схемы.

Подойдет любая из катушек индуктивности что есть в наличии. Для наглядности выбрана самая большая по габаритам. Промышленная индуктивность на 2000 микрогенри работоспособна и также даёт неплохой результат.

Без нагрузки вольтметр показывает 380V. После подключения лампы накаливания 24V*5W напряжение упало до десяти вольт. Если поднять напряжения на выводах лампы накаливания до 24 вольт, нить накала сгорит. Несмотря на высокое напряжение, которое показывает вольтметр, электрический ток безопасен, но обжигает как показано ранее на данном видео. После подключения нагрузки, жжение электрическим током исчезает.

Электрическая лампа либо иная активная нагрузка в данной схеме является преобразователем бестоковой энергии чистого потенциала в привычный электрический ток.

Чтобы более эффективно использовать энергию электрического тока стандартной генерации пока транзистор открыт, можно добавить в схему ещё одну электрическую лампу - L1, по схеме.

...

Вместо лампы накаливания можно заряжать конденсатор или аккумулятор, разработать схему токового преобразователя для подключения светодиодной матрицы.

Полностью неработоспособный аккумулятор стал набирать заряд. Каждый следующий цикл заряда и разряда аккумулятора на нагрузку увеличивает его ёмкость.

Через повышающий трансформатор 12V-220V была подключена лампа накаливания 220V. Лампа горит не в полный накал, яркость лампы регулируется скважностью, ток через транзисторы не превышал 30ма. Подключив вместо лампы накаливания тэн, через нагрев воды за промежуток времени можно рассчитать эффективность работы преобразователя.

На фотографии ниже показано что лампа накаливания подключена к транзисторному радиатору охлаждения. Поскольку транзисторы и диоды установлены на термоизоляционные прокладки, то Электрической связи между радиатором и элементами схемы нет. Радиатор выступает в роли антенны.

Cолитоны.

В приводимых ранее осциллограмма с датчика тока (красный луч) и на витках индуктивной связи (синий луч), Вы видите наличие гармонических колебаний. Они образованы диодом, установленным сразу за транзистором. Если его убрать, осциллограммы с датчика тока станут более понятны и демонстрируют линейный рост тока от "минуса к плюсу".

Что значит ток в отрицательной плоскости осциллографа?Я Любые изменения полярности в точках условных максимумов на осциллографе означают изменение направления движения тока в проводнике.

Как только происходит смена направления движения тока, формируется солитон - результат наложения прямого и обратного токов. Солитон формируется в момент перехода тока через ноуль, тоесть именно ток и смена направления его движения является первопричиной формирования солитона.

Отличие энергетики солитонов в том, что они представляют бестоковые импульсы, "чистый потенциал", не детектируется высокоомными токовыми приборами, но, как показано ранее, лампа накаливания светится.

Точки изменения направления тока на осциллограмме и возникновение солитонов не привязаны к моментам закрытия или открытия ключа, а определяются иными параметрами. Возможно это длина проводника индуктивности.

Интересный факт. Cолитон имеет всегда одну полярность, хотя Вы видите что ток уже сменил направление. Привычная связь зависимости изменения тока и напряжения не работает.

...

Математика. Уравнения Кортевега-де Вриза (КдВ).

Увеличивая частоту и изменяя скважность, можно добиться возникновения одиночных солитонов. Обратите своё вниимание на факт, что солитон возникает в момент перехода тока через ноуль, после отключения тока в цепи электронным ключом. При этом рост тока идёт от "минусовых" к "плюсовым" значениям.

Логично предположить, что раз причиной энергообразования является процесс прерываняия тока, то индуктивность в данной схеме никакой роли не играет. Так и оказалось. Неплохим кандидатом на роль индуктивности оказался скрученный провод.

К устройствам, частично использующим энергию прерывания процессов энергообразования можно отнести повышающие преобразователи напряжения.

...

Плазма как источник дополнительной тепловой энергии.

Опубликовано: 20/12/18

В качестве резистивной нагрузки был использован высокоомный кабель ПНСВ сечение 1.2мм, сопротивление бухты один километр 160 ом.

Переменное напряжение из сети было выправленно диодным мостом, для сглаживания пульсаций поставлен конденсатор 100мкф на 700 вольт, который заряжается до постоянных 330 вольт.

В литературе указывается что плазма обладает высокой электропроводностью, это подтверждает и опыт - ток потребления из сети меняется. Допустим 300 ватт тепла выделяемого на километре высокоомного провода идут на нагрев теплоносителя. Плюсом к этим трёмстам ваттам, тот же теплоноситель можно дополнительно нагревать плазмой.

При малых промежутках между контактами плазма стабильна, из минусов - плазма образуется в момент разрыва цепи.

была предпринята попытка разрывать электрическую цепь IGBT модулем FD150R12RT4.

...

Попытка оказалось провальной, сигнал с генератора с коэффициентом заполнения более двух процентов на частоте в пятьсот герц привёл к летальному исходу транзисторных модулей.

При использовании транзисторов С2M080120 с длительностью импульса 1-2% на частоте 18кГц проявляет себя волновой резонанс. На частоте в 50 кГц на осциллографе пики тока значительной амплитуды, задымился электросчётчик меркурий.

Сверхтоки разряда конденсатора.

Опубликовано: 19/03/19

Для демонстрации сверхтоков использовалась схема контроля заряда АКБ/Конденсаторов. Напряжение питания 24.3 вольта, схема контроля заряда настроена на начало заряда с 12.6 вольт, верхняя граница, начиная с которой начинается разряд - 24 вольта.

Что должно произойти если замкнуть выводы лампы медным проводником? Ответ казалось бы очевиден. Медный проводник обладает меньшим сопротивлением, и ток пойдёт через него, лампа накаливания погаснет. Но реальность оказалась иной. Лампа продолжает гореть.

...

  • Подключаем источник питания и заряжаем конденсатор.

  • Отключаем источник питания.

  • Выдерживаем паузу и подключаем нагрузку.

  • Частично разряжаем конденсатор на нагрузку.

Важным моментом является то, что нагрузка не подключена к конденсатору постоянно. Величина тока, которую способен обеспечить конденсатор в низкоомной цепи в момент начала коммутации максимальна и превосходит возможности иных источников питания.

Ниже представлена осциллограмма работы схемы. Жёлтый луч показывает моменты заряда конденсаторов от источника питания. Бордовый луч - показывает изменение напряжения разряда на обкладках конденсатора. Поскольку ёмкость конденсаторов мала - 1 мкф, частота перезаряда порядка 11.2 кГц.

...

"Индуктивность является электрической инерцией, подобной механической инерции тел." Это значит что проводник любой длины будет обладать и обладает электрической инерцией или индукцией. "Сверхтоки" разряда конденсатора в момент подключения встречают сопротивление нити накаливания и инерции электрических зарядов проводника замыкающего лампу накаливания.

Сопротивление индуктивности проводника в момент подключения, в соответствии с первым законом коммутации (который противоречит сам себе), стремится к бесконечности и на начальном этапе оказываются выше чем сопротивление лампы накаливания. Поэтому ток выбирает путь меньшего сопротивления и движется через лампу накаливания, вызывая её свечение.

Из сказанного следует, что надо формировать не просто импульсы, а токовые импульсы. Тоесть активнее использовать в работе сверхтоки разряда конденсатора.

Бордовый луч - показывает изменение напряжения разряда на обкладках конденсатора, синий луч - изменение тока на конденсаторе. В результате уменьшения сопротивления нагрузки, частота циклов перезаряда конденсатора выросла до 100 кГц, ток потребления увеличился, транзисторы греются.

...

Что должно произойти если свернуть указанный проводник в спираль? Тем самым образуя индуктивность? Лампа накаливания начинает гореть с перекалом. При этом индуктивные витки, независимо от толщины провода не греется.

Неплохо справляется с преобразованием энергии сверхтоков сагаер - ферритовые кольца одетые на медную трубку. "Питание" сагаера подается непосредственно на медную трубку или на провод проходящий внутри медной трубки сагаера.

Без нагрузки ток потребления максимален. При коротком замыкании вторичной обмотки ток потребления не меняется. При подключении лампы накаливания, ток потребления снижается тем больше, чем более низкоомную нагрузку подключать.

Энергия земли.

Опубликовано: 24/08/18

Для уточнения работы заземления была собрана схема, состоящая из бензинового генератора 220V без заземления и установлен на изоляторах, высоковольтного трансформатора, конденсаторов и разрядника. В схеме задействовано два заземления, физически не связанных друг с другом.

...

После диодов на обкладке C1 образуется положительный потенциал. Данный потенциал заземлен на один вывод заземления. Второе заземление подключено к обкладке конденсатора C2. Между обкладками C2 возникает высоковольтный разряд.

Без заземления GND1 высоковольтный разряд на конденсаторе C2 отсутствует. По науке получается полная бесовщина. Положительные десять тысяч вольт, прошли через слой земли и образовались на второй обкладке конденсатора?

Практика использования ОЭДС.

Опубликовано: 02/08/18

Для начала определимся с ещё одним предметом обсуждения – что такое ОЭДС (обратная электродвижущая сила). Принято соглашение что в электрической цепи заряды начинают движение от плюса источника питания к минусу и создают электрический ток.

Ниже приведена схема состоящая из транзисторного ключа, дросселя и светодиодной матрицы. Может сложиться впечатление, что в схеме ошибка и светодиоды гореть не должны, поскольку анод подключен к минусу источника питания и диод через себя ток не пропустит.

...

Впечатление ошибочно, энергию, которая заставляет светодиоды светиться, принято называть ОЭДС (обратной электодвижущей силой). Смысла в этом названии нет никакого, якобы представляет собой преобразование в электрический ток магнитного поля, запасенного индуктивностью пока при открытом транзисторе через индуктивность идёт ток. Анализ того, что данная энергия не является ОЭДС, приводит Сергей Сталкер в своём видео для бифилярных намоток.

Достаточно интересной представляется аналогия электрического тока с водой, принятая при изложении основ электричества в учебниках начала 19-го века. Положительный потенциал электрической батареи это область высокого давления, минус - низкое давление. Соответственно жидкость будет двигаться из области высокого давления в область низкого давления, образуя электрический ток.

Разомкнуть цепь означает резко закрыть кран, что приведет к гидроудару - скачок давления в какой-либо системе, заполненной жидкостью, вызванный быстрым изменением скорости потока этой жидкости. При гидроударе фронт возникшей ударной волны движется в направлении, обратном первоначальному направлению движения жидкости в трубопроводе.

Аналог диода - это обратный клапан для воды — устройство, пропускающее поток воды в водопроводе в одном направлении и предотвращает обратное движение воды. Таким образом, диод пропускает ударный фронт волны в направлении плюса либо минуса источника питания, заполняя электрическую ёмкость.

Работа всего устройства напоминает гидравлический таран для подъема воды. 3 - транзистор, 4 - диод, 7 - ёмкость установленная в схеме ниже. При закрытии транзистора движение электрических зарядов прекращается, возникает область в которой образуются заряды обладающие потенциальной энергией. Источник питания не способен принять “избыток” зарядов, если электрическую цепь замкнуть. Установленный диод преобразует потенциал зарядов в динамику и образует электрический ток и заряжает ёмкость. Каких либо предпочтений по полярности у потенциальной энергии не существует, полярность заряженного конденсатора будет определяться способом включением диода.

...

В продолжение сравнение гидроудара причинам возникновения ОЭДС, рассмотрим ещё одну аналогию. Возьмем идеально упругий стержень и ударим по торцу. В точке удара возникает сжатие которое будет передаваться соседним участками. По стержню побежит продольная волна. Дойдя до противоположного конца стержня бегущая волна отразится и пойдет в обратном направлении: у первого конца вновь произойдет отражение, и весь процесс повторится. Волны, бегущие в прямом и обратном направлении, накладываются одна на другую и создают так называемую стоячую волну.

...

Большой интерес вызывает возможность формирования стоячих волн в катушке подбором частоты открытия или закрытия транзисторного ключа.

Бегущие, прямые и обратные, стоячие волны в электрических линиях рассматриваются повсеместно, странным кажется забвение которому предано такое явление как солитоны. Солитоны - сложение прямой и отраженных волн. Где логика? Стоячая волна возможна, про солитоны тишина. Графическое представление возникновения солитона дано ниже и, как Вы можете для себя отметить, точно отражает картину одиночных импульсов на осциллографе, возникающих при закрытии транзисторного ключа.

...

Для проверки возможности использования так называемой "ОЭДС" была собрана схема. В качестве катушки индуктивности L1 использована бобина с проводом ПЭТВ2 0,63 весом в полкилограмма. Частота схемы управления n-канальным транзистором T1 подбирается исходя из максимальной амплитуды сигнала в витке связи. Ориентиром верного подбора частоты является максимальное свечение пары светодиодов включенных встречно-параллельно и подключенных к сторонней индуктивности.

...

Через диод D2 осуществляется заряд конденсаторов CBB81 2000VDC 3*0,22мкф. Высоковольтные конденсаторы данного типа дают хорошую скорость заряда и ёмкости в 0.22 мкф достаточно для ламп накаливания 12-24V 10W. Цикл разряда конденсатора на нагрузку (ЛН) задаётся частотой открытия p-канального транзистора T2. Частота варьируется от десятков герц до нескольких килогерц и определяется используемой ёмкостью и сопротивлением подключенной нагрузки. Можно обратить внимание, что разряд конденсатора идёт на положительный провод источника питания.

На фотографии выше показаны осциллограммы. Синий луч - данные с генератора. Высокий уровень сигнала - транзистор открыт для прохождения тока. Желтый луч подключен к виткам индуктивной связи вокруг бобины с проводом. Чем сильнее магнитное поле, тем больше амплитуда наведенного сигнала. Частота генератора на которых амплитуда максимальна не соотносится с принятыми понятиями резонансных частот. Выбирать следует ту частоту генератора, на которой максимально ярко горят светодиоды включенные встречно-параллельно.

Тема солитонов, поднятая выше, может иметь непосредственное отношение и к осциллограмме представленной на фотографии.

...

Двигающаяся в дросселе ударная волна зарядов, аналог гидроудара в жидкости, направлена против основного тока и формирует магнитное поле, которое фиксирует виток индуктивной связи. В данной аналогии нет желания полагать что энергия была запасена индуктивностью в магнитном поле пока ключ был открыт. Напротив, отсутствие сигнала в витках индуктивной связи свидетельствует о том, что пока ключ был открыт, магнитное поле в пространстве дросселя полностью отсутствует, а значит запасено быть не может.

Выше показано, при закрытии n-канальных транзисторных ключей (T1) электрические заряды приобретают потенциал, который преобразуется в электрический ток диодами и заряжают электрическую емкость. Далее, заряженный до высоких напряжений конденсатор разряжается P-канальной транзисторной сборкой на нагрузку - лампу накаливания 24V-10W. Очевидно, что Лампа горит за счет следования последовательности высоковольтных импульсов.

Следует обдумать идею солитонной энергетической установки и формировать солитоны, неотъемлемым свойством которых является "самоподдержание" энергетического баланса со средой.

В показанной схеме конденсатор разряжается на нагрузку. Что значит разряжается? Между плюсом и минусом конденсатора возникает электрический ток, который мы прерываем транзисторным ключом или разрядником. Тоесть вернувшись к описанию выше мы циклически увеличиваем энергетический потенциал системы. Формируются солитоны, а значит и магнитное поле вокруг катушки индуктивности в разы большей мощности.

Этот факт Вы зафиксируете держа в руке обычный магнит, который будет вибрировать с частотой разряжаемой ёмкости, а не на частоте работы основного процесса. Необходимо и желательно использовать вместо обычной катушки индуктивности - встречные намотки. Это увеличивает эффективность заряда конденсаторов.

Не следует поддаваться визуальным эффектам формируемым лучом осциллографа. Солитон это не амплитуда напряжения, а вихрь.

Возможны разночтения в понимании потенциальной энергии заряженных частиц. Если взять камень и поднять его над землёй. Сам камень не изменился, но он стал обладать потенциальной - возможной энергией. Попросту если отпустить камень, он полетит вниз и будет способен совершить работу. Так и заряженные частицы, обретая потенциал, получают возможность к самореализации, образовать электричесикй ток или радиоволны. Выпустить из руки камень - это поставить в электрическую цепь диод при этом полярность перераспределения зарядов будет зависеть от того анод или катод подключен к обкладке конденсатора. Увеличить энергетический потенциал в данной системе, означает что будет образовано большее число зарядов обладающих потенциальной энергией, энергией возможности.

Что такое энергия возможности? Например знание. Прочитав данный раздел Вы получили определенные знания о принципах работы энергетической установки. Вы обладаете потенциалом, возможностью проверить принципы и собрать данную реализацию, наполнить её жизнью. Будет ли реализован данный потенциал - это другой вопрос. Но нет знания, нет и возможности.

Заряд электролитических конденсаторов.

Вместо одиночной бобины проволоки была собрана схема использующая две встречных намотки на ферритовом кольце. То что заряд конденсаторов встречными намотками возможен до высоких напряжений, демонстрировалось ранее. Сейчас хотелось бы оценить эффективность заряда конденсатора.

...

Данная схема потребовала отойти от стереотипа поиска резонансов и настроить генератор в частотном коридоре 1-10 герц. Максимальный ток потребления в 0.22 ампера был отрегулирован длительностью импульса включения транзистора в 5-10% от периода.

На частотах до двадцати герц и ёмкости конденсатора в несколько микрофарад конденсатор заряжается и разряжается полностью - лампа вспыхивает и после полностью гаснет. После установки конденсатора ёмкостью в 47000 мкф картина резко изменилась - лампа накаливания стала светиться стабильно, на конденсаторе постоянное напряжение.

Можно предположить высокую эффективность работы данной схемы. Заряд конденсатора от источника длится пять процентов, девяносто пять процентов времени лампа накаливания стабильно горит используя полученный конденсатором заряд.

В данной схемотехнике важным является не скорость нарастания тока, а его прерывание на том максимуме, что позволяют выдержать транзисторные ключи.

Для защиты транзисторов на источнике питания установлено ограничение на максимум тока в 0.4A, дополнительно Вы можете установить дроссель на вход схемы, но это излишние траты.

В чём принципиальное отличие работы схемы на низких частотах? При включении транзистора через катушку начинает течь ток, ферритовый сердечник уходит в насыщение и перестанёт работать, индуктивное сопротивление падает, в цепи, через разряженную ёмкость, пойдёт ток короткого замыкания. Транзисторами прерывается максимально возможный ток, который способны выдержать транзисторные ключи. При традиционном подходе - работа генератора на десятках и сотнях килогерц, по причине высокого индуктивного сопротивления ток в цепи мал, а значит и заряд конденсатора методом разрыва электрической цепи малоэффективен.

У Вас есть понимание что в электрической цепи с постоянным током, разряженный конденсатор обладает нулевым сопротвлением и в простейшем случае ток через него равен току короткого замыкания? По мере заряда конденсатора максимально допустимый ток через него падает, а значит и падает эффективность заряда конденсатора в рассматриваемой схеме. Чтобы увеличить ток, проходящий через ёмкость по мере его заряда, схема управления должна изменять скважность импульса.

В чём принципиальное отличие работы схемы на низких частотах? При включении транзистора через катушку начинает течь ток, ферритовый сердечник уходит в насыщение и перестанёт работать, индуктивное сопротивление падает, в цепи, через разряженную ёмкость, пойдёт ток короткого замыкания. Транзисторами прерывается максимально возможный ток, который способны выдержать транзисторные ключи. При традиционном подходе - работа генератора на десятках и сотнях килогерц, по причине высокого индуктивного сопротивления ток в цепи мал, а значит и заряд конденсатора методом разрыва электрической цепи малоэффективен.

Джон Бедини.

Радует что энергию ОЭДС стали выделять в отдельный класс и использовать при построении высокоэффективных устройств.

...

В анимации ниже нас интересует фаза перехода маятника через ноуль. Маятник - это постоянный магнит в двигателе Бедини. Аккумуляторная батарея подключена к катушке индуктивности таким образом, что начинается втягивание магнита, расположенного на вращающемся диске. После перехода через ось катушки магнит продолжает втягиваться и начинается торможение диска. Сила F в анимации после перехода через ноуль уже направлена в противоположную сторону. Что сделаю я чтобы подтолкнуть маятник? Поменяю полярность на входе катушки индуктивности тем самым сформирую вихрь магнитного поля противоположного направления. Магнит начнёт отталкиваться и диск получит ускорение.

...

Что делает Бедини? Источник притания формирует магнитное поле той полярности, чтобы подтягивать магнит к оси катушкию. В момент прохождения магнита через ось, Бедини разрывает электрическую цепь , возникает так называемая ОЭДС, которая имеет направление противоположное основному току. Формируется вихрь магнитного поля противоположного направления и магниту будет придано ускорение отталкивания после прохождения центральной оси катушки индуктивности.

Стоит взять на заметку, что в подаче напряжения с аккумулятора на вход катушки нет никакой необходимости, поскольку электрический ток вырабатывается и тогда, когда силовые линии движущегося магнита пересекают витки проволочной катушки. При размыкании этого тока вихрь так же изменит направление вращения и магнит получит ускорения отталкивания. Важно и то, что магнитное поле формируемое импульсом так называемой ОЭДС значительно сильнее поля формируемого обычным током.

Второе что делает Бедини - утилизирует образовавшуюся при разрыве цепи потенциальную энергию. На схеме Джона Бедини красным цветом наглядно показано использование энергии ОЭДС для заряда аккумуляторов.

Схема нагревателя.

Ниже представлена схема нагревателя c COP > 17. RL - нагревательный элемент (нагрузка), который имеет электрические характеристики как сопротивления, так и индуктивности. RL выполнен из NiChrome, намотан спиралью вокруг керамического основания. При повторении данной схемы следует учесть ёмкость конденсатора и частоту генератора предложенные выше.

...

Мифы про ЭДС самоиндукции.

Опубликовано: 27/05/17

Миф первый.

В данном разделе в качестве источника нелокальной (потенциальной) энергии рассматривается схема - Ячейка.

...

Для специалистов это повышающий DC-DC преобразователь бустерного типа.

...

Если ключевой транзистор открыт, схема находится в фазе накопления энергии дросселя... В чем запасется данная энергия? Очевидно что это магнитном поле в пространстве дросселя.

Насколько это очевидно? Смотрим осциллограмму. Жёлтый луч - это затвор транзистора, синий изменение напряжения на стоке. Магнитное поле в пространстве дросселя, изменяясь, наводит ЭДС в витках проволоки, намотанных вокруг дросселя. Изменение магнитного поля демонстрирует зелёный луч осциллографа.

Если ключевой транзистор открыт, схема находится в фазе накопления энергии дросселя... Но зеленый луч показывает полное отсутствие магнитного поля в пространстве дросселя при открытом транзисторе. Это значит, что следует отменить законы взаиминой индукции либо магнитное поле в пространстве дросселя при открытом транзисторе отсутсвует.

Ответьте на вопрос. Что является источником ОЭДС, если при открытом ключевом транзисторе магнитное поле в пространстве дросселя отсутствует, а значит накопления энергии магнитным полем не происходит?

Дальше начинается невежество окруженное смехом. Что за сумасшествие сидит в сознании профессионалов и заставляет твердить как мантру что источником ОЭДС является энергия магнитного поля, которого нет?

Вам понятно, что рассматриваемое явление является чем угодно, но только не ЭДС самоиндукции, поэтому использовать классическое определение ОЭДС для объяснения совершенно иных физических процессов нельзя?

Классическая схема демонстрации работы ОЭДС включает в себя элемент питания, ключ, индуктивность и резистивную нагрузку, включенную параллельно, тем самым формируется видимость замкнутой цепи в которой уже возможен ток.

Преподаватель разъясняет и демонстрирует – разомкнули ключ, препятствуя мгновенному исчезновению тока, запасённое индуктивностью магнитное поле катушки будет преобразовано в электрический ток, лампа кратковременно вспыхнет.

...

Урок физики в Ришельевском лицее. Явление самоиндукции.

Вам понятно, что преподаватель прав только в одном? Лампа действительно вспыхивает. Преподавателя трудно в чём либо винить, он всего лишь рупор науки. А какие претензии могут быть предъявлены к рупору, устройству механическому, действующему по заданной программе?

Вам намеренно даётся только тот материал и в таком виде, чтобы в Вашем сознании сформировать и закрепить устойчивую Связь (Сущность) - изменение тока влечёт за собой изменение магнитного поля как впрочем и наоборот.

Вы начинаете фиксировать только один параметр - ток, считая что второй - магнитное поле, присутсвует и изменяется пропорционально, иное невозможно. Показано, что так бывает не всегда, но сформированная Сущность не допустит Вас к пониманию этого, в общем-то, очевидного факта.

Сформиованный вирус в мышлении исключает любую возможность разорвать умственный стереотип (Связь) и комплексно исследовать временные маркеры возникновения магнитного поля и соотнести эти моменты с изменениями тока в цепи.

Миф второй.

Опубликовано: 28/05/17

На ферритовом кольце со встречными намотками сформирована последовательность максимально коротких импульсов. К точке пересечния встречных намоток подключена лампа накаливания. Второй вывод лампы накаливания подключен к проводу заземления. Оставим пока без внимания тот факт, что электролампа горит.

...

Если Вы предоставите данную осциллограмму экспертному сообществу, то незамедлительно получите следующие фундаментальные разъяснения.

...

В кругах, сильно знающих науку, объясняют последовательности импульсов всегда положительной полярности после закрытия транзистора как "Выбросы ОЭДС" или звон катушки. Последовательности импульсов наблюдаются "далеко за полночь", после полного закрытия транзистора. Это значит что цепь разомкнута. Вам понятно, что следуя "логике" науки, в разомкнутой цепи ток не возможен, а при отсутствии тока, магнитное поле не формируется.

  • Задайте себе вопрос - "Если нет тока и в разомкнутой цепи он не возможен, что является источником магнитного поля, импульсы которого фиксирует осциллограф?

Прежде чем принять домыслы, что сопротивление сток исток транзистора хотя и значительно, но присутствует, поэтому цепь замкнута, ток возможен, вспомните про механический аналог ключевого транзистора - электромагнитное реле, при использовании которого все описанные явления присутствуют в ещё большей степени.

Следующая попытка объяснить - это последовательный колебательный контур с индуктивностью и ёмкостью перехода транзистора. Но диапазон резонансных частот емкости перехода транзистора лежит в мегагерцовом диапазоне. И главное, резонансные колебания должны быть гармоническими! Но это не синусоида, а более сложный сигнал, множественной структуры спектра.

  • Потенциальная Энергия - это энергия формируемая нелокальными процессами. Следствием локализации является формирование магнитного поля.

  • Колебания - это следствие множественной работы нелокальных процессов.

Различия в токах потенциальной энергии и токе локальной генерации наглядно показаны на видео.

Миф третий.

Опубликовано: 29/05/17

Направление индукционного тока определяет Правило Ленца. Если внешний ток увеличивается, то растёт создаваемое им магнитное поле и его поток, что приводит к появлению индукционного тока, уменьшающего это увеличение. В этом случае индукционный ток направлен в сторону, противоположную основному.

При включении транзистора в цепи начинает течь ток. Ток движется от плюса к минуса. Этот ток формирует вихревое магнитное поле (наука других не признаёт), его направление Вы можете определить по правилу буравчика и допустим оно направлено по часовой стрелке. Читаем Ленца. При замыкании ключа возникает ток направленный против основного тока. Это значит что по правилу буравчика магнитное поле токов Ленца должно быть направлено в противоположную сторону.

С этого момента левому полушарию мозга трудно найти правое. Возникло два встречных магнитных поля которые делают что? Компенсируют друг-друга? Если компенсируют, то магнитное поле отсутствует. Если магнитное поле отсутствует, то в чём запасается энергия которая возникает при закрытии ключа? Токи Ленца разумны. Если основной ток начнёт уменьшаться, вихрь магнитного поля сразу замечает это и разворачивается на 180 градусов, чтобы поддержаить основной ток, который направления не менял.

Автомобиль не может тронуться с места. Вам понятно, что движению автомобиля, препятствуют совершенно конкретные физические силы и явления? Сила трения, встречный ветер, сугроб снега в который он уперся?

Ответьте на вопрос: "Какая реальная сила формирует ток, встречный основному в одном случае и поддерживает его, если основной ток падает"? В научно-религиозной среде всё просто - данной силой является божественное слово Ленца, разумные токи творящее.

Ниже приведена схема, состоящая из диода, индуктивности, лампы накаливания и транзисторного ключа, включенных последовательно. В качестве транзисторного ключа использован драйвер. Транзистор в схеме на фотографии. C2M0080120D. Ислледование простое. Сопоставить моменты образования магнитного поля с изменением тока в контуре.

...

Фронт энергии стандартной (локальной) генерации образуется в момент начала тока в электрической цепи при открытии транзистора. В момент закрытия ключа процесс энергообразования прерывается и образуется фронт (не-локальной) энергии. Фронты направлены на встречу друг, другу, ток в контуре отсутствует, магнитное поле в дросселе не формируется. Гидродинамическим аналогом подобного являются солитоны.

Сказанное можно видеть при увеличении частоты. Красный луч - сток-исток транзистора, синий луч - сигнал с витков индикации магнитного поля. Обратите внимание. При зымакании цепи транзисторным ключом, магнитное поле индуктивностью не запасается, оэдс в её официальных трактовках не возможна.

На осциллограмме показано, что при открытом ключе, МП в дросселе (синий луч) отсутствует. Значит по закону Ленца, из ниоткуда возник ток, создающий МП иного направления, но куда исчезло МП, созданное током стандартной генерации? Надо быть религиозным фанатом науки, чтобы веровать в этот абсурд.

В моменты времени закрытия ключа и его последующего открытия формируются два встречных фронта энергии стандартной генерации и нелокальной энергии. Можно подобрать частоту при которой энергии складываясь образуют один импульс (через период).

Миф четвертый.

Опубликовано: 30/05/17

Официалами навязано мнение, что в случае с ОЭДС, магнитное поле преобразуется в электрический ток ровно в том количестве энергии, которое было затрачено на формирование магнитного поля.

На разных типах катушек индуктивностей показано что магнитное поле в пространстве дросселя это результат работы нелокальных процессов, процессов иной мерности. Система не является закрытой, значит и применение закона сохранения энергии противоречат логике самого закона, области его применимости и действия. Но кого останавливает такой пустяк в наши дни?

Плоская земля.

Опубликовано: 01/06/17

Стереотипы в сознании. Компьтерное моделирование линии горизонта.





Очевидное. Реальная фотография.



При расстоянии между двумя точками сферической земли в 14 км, кривизна должна иметь высоту в 3,84м. При расстоянии в 110 км, высота кривезны составит 237 метров, эквивалент здания с 79 этажами.

...

Скорость вращения сферической земли на экваторе 1700 км/ч, что больше скорости звука. Градиент изменения скорости от экватора к полюсам настолько значительный, что должен собровождаться ураганными ветрами.

"Мы живем на планете земля". Основа слова планета - план. Что означает план?

  • План (от лат. planus — ровный, плоский; англ. plane, plain, нем. Plan и т. д.) — первоначально означало равнину;

  • В переводе с английского план - приспособление, затея, замысел, выдумка, изобретение, представление и так далее.

Если не ЭДС самоиндукции, то что?.

Опубликовано: 02/06/17

Раз есть импульсы, неважно какой природы, то можно попытаться включить и электролампу. Что и было сделано в следующем эксперименте. Лампа горит. Ещё раз ответим на вопрос какая энергия заставляет лампу светиться? Это не электрический ток источника питания.



Включили источник питания - индуктивность препятсвует мнгновеенномуросту тока, а значит тока в цепи от источника питания ЕЩЕ нет, выключили источник питания тока УЖЕ быть не может. На амперметре видим ноуль.

Полученный вид потенциальной энергии отличается от привычной электрической генерации. Попытаюсь выделить различия.

Потенциальная Энергия формирует импульсы, которые образуются после разрыва электрической цепи за счёт прямого преобразования сформированного нелокальным процессом магнитного поля дросселя в потенциал.

Потенциальная энергия взаимодействует с землёй. Если подключить электрическую лампу к проводу заземления, в условиях городской застройки проверялись радиаторы отопления, возникает потенциальный электрический ток, лампа горит.



В точке соединения левой и правой обмоток, последовательно с токовым шунтом, было выполнено включение диода с направлением от плюса к минусу. В обычной электрической цепи это эквивалентно короткому замыканию. На фотографиях это КЦ109А, проверялись и другие диоды. Диод должен быть максимально быстрым иначе он начинает греться и выходит из строя. Параллельно диодам была включена электрическая лампа и она горит ярче, чем в предыдущих экспериментах.

У лампы накаливания сопротивление выше, чем у открытого диода. Потенциальный электрический ток выбирает участок цепи с более высоким сопротивлением.



Если расположить два диода встречно-параллельно. Катод и анод пары диодов одновременно подключить к выводу одной катушки. Катод второго дода к выходу второй катушки. Если между катодом и анодом включить лампу, она будет гореть. Можно заряжать как аккумулятор, так и конденсатор. Конденсатор заряжается до высоких напряжений, это показано на видео в другом разделе.



Потенциальное электричество горячее на ощупь, любит искрить на плохих контактах, оставляет неприятные ощущения, но удара током аналогичного электричеству стандартной генерации нет.



При подключении электролампы на землю, ток потребления может достигать десятков ампер. Почему в таком случае, на всех фотографиях, показания амперметра всегда равны нулю? Я считаю этот режим работы штатным для данной схемы и ориентируюсь именно на нулевое значение тока потребления. Влияет на этот параметр частота, напряжение питания, скважность импульсов. Варьируя этими параметрами я выхожу на нулевое значение, если быть более точным менее 100 ма.

Пока нет технической возможности, но безусловный интерес вызывают эксперименты с высоким напряжением. Частично результат был ранее описан - появление мощного электростатического поля, но нет понимания физики процессов и как утилизировать потенциальную энергию.

Надеюсь данная статья послужит базой для понимания основ происхождения потенциальной энергии и поможет выйти из зазеркалья в котором нарушены причинно-следственные механизмы восприятия мира и явлений.

Потенциальный электрический ток.

Опубликовано: 02/06/17

Все вышеописанные эффекты можно проверить обладая парой бухт проволоки. Достаточно соеденить их встречно по часовой и против часовой стрелки. Ниже приведена серия фотографий без комментариев, поскольку разъяснения даны выше.



Соленоид со встречными намотками.

Опубликовано: 03/06/17

В данном эксперементе используется соленоид с намотаным на нём в два ряда и в одном направлении проволокой. Намотки были включены встречно.


Соленоид со встречным включением намоток является источником Потенциальной Энергии. Интерес представляет структура магнитного поля соленоида. Для анализа предлагается краткое видео. В центре соленоида плоскость смены знака - магнитное поле меняет направление. Витки катушки съема расположены перпендикалярно по отношению к виткам источнка ЭМ поля. У официалов есть указания на этот счёт, эдс в витке связи наводиться не должна.



Общие положения.

Опубликовано: 02/11/17

  • Физические процессы делятся на локальные и нелокальные. Нелокальность непознаваема. Нелокальные процессы не относятся к мерности нашего пространства/времени.

  • "Энергообразование непрерывно. Прерывать процесс энергообразования - это создать градиент (перепад давления). В результате запускается нелокальный процесс, который направлен на выравнивание градиента (перепада давления). Следствием работы нелокального процесса по достижению балланса является образование локального магнитнго поля. Созданное нелокальным процессом магнитное поле формирует потенциальную энергию."

  • Потенциальная энергия распространена повсеместно и её легко получить. Данная тема в официальной среде закрыта, фальсифицируется и подменяется ОЭДС. Почему? Причиной возникновения магнитного поля формирующего ОЭДС является работа нелокальных процессов. Нелокальность противоречит навязанным внешним управлением особых форм систематизации знаний.

  • Правило Ленца - вымысел, призванный скрыть реальные процессы и явления, проявления которых формирует ток встречный току стандартной генерации.

  • Колебательный контур это устройство взаимного преобразования энергий разного рода. Фактором преобразования являются нелокальные процессы, которые во вневременном контексте трансформируют энергию электрического поля в его энергетический эквивалент - магнитное поле.

  • Желание исследователей объяснить новые явления через известное - обречено, но путает и уводит в сторону. Логично обосновывать явления как нелокальные, не более.

    Примером подобной классификации является 1001 забытое чудо, Книга проклятых Чарльза Форта. Где Сила, объявившая всем этим вещам, что они прокляты, догматическая наука.

Ячейка источник нелокальной энергии.

Опубликовано: 03/11/17

Для изучения проявлений нелокальности процессов можно собрать Ячейку. Ячейка воспринимается специалистами как повышающий DC-DC преобразователь бустерного типа. Нелокальность проявляется в получении трансферным конденсатором дополнительной энергии при прерывании процесса энергообразования транзисторным ключом. Описание эксперимента, сомнения и результаты приведены на форуме.

...

Перейти на форум.

Приоритет - большая индуктивность (латр не подходит), меньшая ёмкость. Оптимальный режим подбирается регулировкой частоты и скважности сигнала, диод перед дросселем обязателен. Можно использовать ключ, схема которого приведена выше. Наилучший результат, в качестве дросселя, из имеющегося, дала первичная обмотка трансформатора компютерного источника питания. Потенциальная энергия "оседает" в трансферном конденсаторе (0.1мкф) по схеме и далее зажигает ЛН.

Появление энергии из "ниоткуда" в ложной парадигме закрытой системы Мира и человека, как единственного венца творения, временно отбывающего срок за недостойное поведение в садах Эдема объяснить невозможно. Нелокальность процессов означает множественность мира и явлений и порождает множество вопросов, что апологетами научной и религиозной сект жестко пресекается и карается.

В высоковольтной реализации Ячейки была использована пара электромагнитных неоновых трансформаторов FART. Один в качестве источника питания, второй в качестве дросселя. Эффективность работы высоковольтной Ячейки будет оценена в дальнейшем при помощи калориметрии. Сравнение объема нагретой воды и расходов электроэнергии по электросчётчику за время.

В качестве нагрузки использована натриевая лампа либо по причине высокого напряжения необходимо последовательно включать лампы на 220 вольт.

...



Краткое видео.

В качестве нагрузки использован Сагаер. С него осуществляется съём энергии. Энергия отличестся от энергии стандартной генерации.

Краткое видео.

Ячейка. Перезаряд конденсаторов.

Опубликовано: 19/12/17

Если к обкладкам полностью разряженного конденсатора подключить источник постоянного тока, через конденсатор начнёт течь электрический ток до момента полной его зарядки. Это достадное недоразумение позволяют исправить приводимые схемы. Конденсатор заряжается до максимальных значений не потребляя из сети электрический ток.

...

Краткое видео.

Используется схема "Ячейка". В качестве нагрузки два конденсатора включеных последовательно. Заряд конденсаторов происходит от одного провода через пару диодов включенных встречно. К точке соединения конденсаторов подключен провод заземления. На обкладке конднсатора катодом диода формируется плюс, анодом - минус. Между диодом и обкладками конденсатора подключается лампа накаливания, по яркости свечения которой можно оценить ток, протекающей при заряде конденсатора.

Выполнив разряд конденсатора через короткое замыкание, можно наблюдать как аналогичный заряд возникает на противоположном конденсаторе. Полярность заряда остаётся без изменений, заряд разряженного конденсатора практически прекращается. Заряд на втором конденсаторе, с соблюдением полярности, образуется не по электрической цепи. При разряде конденсаторов в 50 мкф на лампу накаливания 12V*6W, вольфрамовая нить ЛН испарится. На видеоролике видно, что нить ЛН едва тлеет.

Теоретически можно предположить, что разряжая один конденсатор на низкоомную нагрузку. На втором конденсаторе заряд будет восстановлен.

В планах проверить и сравнить заряд ёмкости ячейкой с двумя транзисторами.

...

Линейный ускоритель.

Опубликовано: 05/11/17

В отличии от обилия теорий и попыток объяснить его работу, Линейный Ускоритель (ЛУ), оказался очень простым устройством для повторения. На фотографии ниже представлено два соленоида. Оба идентичны и выполнены размещением виток к витку пары проводов. Используемый в экспериментах соленоид намотан парой медных проводов 0.63мм, высота соленоида 500мм, диаметр 60мм.

Видео работы.

ЛУ (линейный ускоритель) интересен для изучения тем, что в нём присутсвуют нелокальные процессы, которые проявляют себя в неравномерном нагреве соленоида. Электростатическое поле в ЛУ выражено слабо.



Внимательно посмотрев на фотографию становится понятно, что пара витков расположенные рядом представляют из себя конденсатор с вполне конкретной ёмкостью. Соленоид с намоткой из пары проводов, расположенных вплотную друг к другу, в импульсном режиме работает как градиентный конденсатор. За счёт движения зарядов потенциал повышается, заряды, от витка к витку, ускоряются. Любой, самый малый промежуток между парой проводников, приводит к высоковольтному пробою и требует максимум внимания и тщательности при изготовлении.

Для обеспечения условий и режимов работы ЛУ (линейного ускорителя) использовались Ячейки как с высоковольтным, так и низковольтным питанием. Схема Ячейки с низковольтным питанием приведена ниже. К выводам ЛУ (линейного ускорителя) подключена неоновая лампа. Свечение неоновой лампы свидетельствует о появлении высокого напряжение на выводах ЛУ (линейного ускорителя).

...

В схеме драйвера использован высоковольтный транзистор C2M0160120D Для защиты транзисторов от выхода из строя по схеме Aviso в сток транзистора включен диод C4D10120D.

Использование транзистора C2M0160120D обусловлено желанием обеспечить максимально-возможную эффективность работы Ячейки за счёт крутзны фронтов включения и выключения ключа. Ранее использовались транзисторы IRFP460.



Жёлтый луч - затвор. Красный луч - сток-исток. Зелёный - выход линейного ускорителя.



...

К осциллограмме приведённой выше добавлен синий луч с витка индуктивной связи дросселя.

При открытом транзисторе (жёлтый луч), через дроссель начинает идти ток, потенциал на стоке транзистора (красный луч) соотетственно падает. Однако магнитное поле в дросселе в течении всего времени открытия транзистора (наличия тока в цепи) не формируется, не запасается. После закрытия транзистор на его стоке (красный луч) начинет плавно формироваться потенциал. График аналогичен графику заряда конденсатора. При этом на выходе линейного ускорителя - зеленый луч указывает на наличие отрицательной области, для чего нет предпосылок.


Линейный ускоритель даёт более высокий потенциал если из схемы убрать буферный конденсатор.

...

Работа с Потенциальной энергией достаточно специфична. Потенциальная энергия носит исключительно ёмкостный характер, поэтому подключение к выводам ЛУ (линейного ускорителя) резистивной нагрузки (ЛН), организует токовый канал, что увеличивает потребление из сети и интереса не представляет.

Ёмкостный режим работы реализован в светодиодном фонаре и лампе, работа которых строится на подключении светодиодной матрицы после заряда конденсатора до некоторого значения. Поэтому светодиодная лампа не увеличивает тока потребления Линейным Ускорителем из сети.

Чтобы прервать движение зарядов энергии стандартной генерации, в цепь был поставлен диод. Анод диода подключен к минусу питания, поэтому для энергии стандартной генерации диод будет закрыт, тока в цепи не будет. Для потенциальной энергии диод препятствием не является и конденсатор будет заряжен.

...

Работа с Потенциальной энергией осуществляется в импульсном режиме. Заряд конденсатора и его разряд на нагрузку должен быть организован через ключ, искровой промежуток или газоразрядники. Мост, конденсатор, ключ и осветительный элемент, изображённые на схеме, являются частью схем управления светодиодными лампами и носят информативный характер.

...

Краткое видео работы схемы.

Цель проверки работы линейного ускорителя с питанием от АКБ состояла в том, чтобы посмотреть как схема взаимодействует с землёй. Провод заземления был подключен к выводу заземления светодиодного фонаря или светодиодной лампы. Тоесть между электронной схемой и корпусом была образована ёмкостная связь, которая служит причиной свечения диодов.

...

Краткое видео работы схемы.

Ранее было заявлено, что Линейный ускоритель - это конденсатор некоторой ёмкости. Поэтому, если заменить Линейный ускоритель на конденсатор, ячейка работает с тем же результатом.

...

Краткое видео работы схемы.

Краткий итог. Ёмкостный режим Потенциальной энергии с землёй на порядок выше, если схема питается от сети чем от аккумулятора. Это значит что в электросети данная энергия уже присутствует или привлекается в гораздо большей степени чем при автономном питани от АКБ.

В схемах управления светодиодными светильниками используется диодный мост. В случае с Потенциальной Энергией для заряда конденсатора достаточным условием является пара диодов включенных встречно-параллельно и обязательным условием является наличие заземления, иначе заряд конденсатора не выполняется. При использовании одного диода конденсатор так же не заряжается.

...

Краткое видео работы схемы.

Представьте, что Вы находитесь между обкладками конденсатора. В момент начала заряда конденсатора в электрической цепи есть электрический ток. Предлагаю задуматься, посредством какого поля или явления осуществляется передача энергии от одной обкладки к другой? Однозначно, это не вихревые магнитные поля. Передача энергии между обкладками конденсатора предполагает совершенно иные механизмы и энергию. Я обозначаю её как Потенциальная (возможная) энергия. Ещё раз предлагаю посмотреть на линейный ускоритель. Соленоид работает не как индуктивность, а как ёмкость.

...

Если для индикации магнитных вихревых полей мы используем виток индуктивной связи подключенный к осциллографу, то для идентификации потенциальной энергии необходимо использовать ёмкость – второй, аналогичный линейный ускоритель. Сможете ли Вы определить заряд конденсатора предварительно выполнив на нём короткое замыкание? КЗ для Потенциальной энергии это виток индуктивной связи, подключенный к осциллографу, светодиодный детектор поля или резистивная нагрузка.

Выше шла речь о гипотетической возможности нахождения между обкладками конденсатора. Одной обкладкой конденсатора является Линейный ускоритель (Исток), а второй – земля (Сток). Между обкладками конденсатора циркулирует энергия, которая специфична и её Потенциал (возможность) на Истоке формируется работой схемы - "Ячейка".

Следует чётко понимать, что между истоком и стоком (обкладки конденсатора) поле немагнитное, поэтому работать с потенциальной энергией необходимо через циклы - заряд/разаряд конденсатора на нагрузку (в т.ч. резистивную). Пока конденсатор не заряжен, энергия передаётся с одной обкладки на другую. Землю зарядить сложно, отсюда постоянная передача энергии между истоком и стоком, посредством ёмкостной связи.

Примером схемотехники, работающей в цикле заряд конденсатора и его разряд на нагрузку являются светодиодные фонари. Имеет смысл разработка схемы, которая опираясь на фронт сигнала генератора, сформирует задержку, по истечению которой открывает транзистор на заданное время. Возможна привязка и к напряжению заряда конденсатора, но алгоритм должен быть дополнением.

Транзитно-ёмкостный эффект заряда конденсатора.

Опубликовано: 28/12/17

Заряд конденсатора C1 осуществляется ёмкостью между вторичной и первичной обмотками высоковольтного трансформатора. Отсюда видимо и произошло название эффекта. Транзит заряда через ёмкость вторичной и первичной обмотками трансформатора. Схемы заряда конденсаторов, описанные ниже, работают как при питании от бытовой сети 220 вольт, так и при работе от бензинового электрогенератора. Тоесть явно выраженная связь с землёй отсутсвует. Искра при этом чище.

...

Краткое видео.

Бытует мнение, что важным условием быстрого заряда конденсатора в транзитно-ёмкостном режиме является "Правильная искра". "Правильная искра" значительно снижает ток потребления и увеличивает скорость заряда конденсаторов высокой ёмкости от 500мкф. Поймать "Правильную искру" пока не удаётся. Но если судить по искре на свече зажигания, разряжающей конденсатор, скорость заряда конденсаторов высока, Подключение конденсатора не меняет потребление из сети - 0.35квт/ч пна электросчётчике.

Наличие потенциала на обкладках конденсатора запускает процесс его заряда. Скорость заряда определяется током, который в данный момент проходит через ёмкость. В момент начала заряда конденсатора ток, который проходит через конденсатор, равен току короткого замыкания.

Мгновенные значения тока на амперметре электрического счётчика более пяти ампер. Это определяет высокую скорость заряда конденсатора. На Высоковольтном конденсаторе цикл работы устройства выглядит следующим образом. При поднесении электрода после выпрямительных диодов к обкладке конденсатора возникает небольшая искра синеватого цвета. Искра организует токовый канал, конденсатор заряжается. Как только конденсатор зарядился, искра прекращается. Плазменный разряд, в отличие от низковольтных конденсаторов не возникает. После этого конденсатор необходимо разрядить на нагрузку и повторить заряд конденсатора.

Краткое видео.

В ролике показано что повторное касание к обкладке конденсатора искры не даёт. Это означает что конденсатор полностью заряжен. Конденсатор заряжен полностью - нет разницы потенциалов между плюсом и обкладкой. Нет разницы потенциалов - нет искры, ток потребления на электросчётчике равен току холостого хода. Конденсатор работает как клапан и перекрывает ток на землю как только будет полностью заряжен. В момент времени когда конденсатор не заряжен, ток через него равен току коротокого замыкания. После того как конденсатор заряжен, можно снять энергию со схемы и разрядить его конденсатор на нагрузку.

Поскольку мгновенные токи высоки и не фиксируются приборами, необходимо внимательно отнестись к оценкам тока потребления из электрической сети, которые идут на заряд конденсатора и сравнить с работой, которую способен совершить заряд накопленный на обкладках конденсатора.

Высокое напряжение.

Опубликовано: 06/11/17

Прервать последовательность энергообразования помимо ключа и получить потенциальную энергию возможно с помощью разрядника в цепи высокого напряжения. Данный подход получения потенциальной энергии показан на видео.

...

Краткое видео.

Сагаер как преобразователь потенциальной энергии.

Опубликовано: 04/11/17

В интернет широкую популярность приобрели преобразователи энергии - Сагаеры. Сагаер прост в изготовлении. Необходимы ферритовые кольца и медная трубка.

Одеваем ферритовые кольца на медную трубку, продеваем через медную трубку проводник и сагаер готов. "Питание" подается непосредственно на медную трубку или на провод прооходящий внутри медной трубки сагаера.

Для изучения энергии, локализуемой сагаером, предлагается схема, приведённая ниже. Важным является наличие выполненного по ГОСТ заземления. Провод заземления проходит внутри медной трубки сагаера. Лампа накаливания подключена к краям медной трубки.

...

Краткое видео.

На контактных площадках сагаера к которым подключена лампа накаливания потенциал отсутствует. Наличие энергии определяется визуально, как следствие свечения лампы накаливания. Частота генератора также подбирается произвольно, по свечению ЛН. Приведённые осциллограммы носят информационный характер, ориентироваться на них не стоит.



На амперметре блока питания указан ток 0.31 ампера. Большая часть тока потребления, тратится на компенсацию образованной в контуре потенциальной энергии. Это подтверждается установкой дополнительного сагаера и включением его параллельно первому. Ток потребления падает, ЛН начинает гореть ярче. Светодиод подключенный вместо ЛН не светится, но обычный диод заряжает ёмкость. В целом поле электрическое, взаимодействия носят индукционный характер.

Проверена возможность использования сагаера для преобразования потенциальной энергии в электрический ток в цепи высокого напряжения, содержащей разрядник.

Эффективность преобразования (локализация) сагаером потенциальной энергии в электрический ток не рассматривается, стоит лишь отметить, что подключение лампы накаливания не влияет на ток потребления из сети.

Потенциальная энергия локализованная сагаером специфична. Наличие искры предполагает высокое напряжения, но удара током не происходит. Контакты при этом нагреваются.

Заряд ёмкости энергией локализуемой Сагаером.

Опубликовано: 07/11/17

После оптимизации "расходов", вполне допустимо создание устройства, которое заряжает конденсатор. По достижении некоторого значения напряжения - разряд на нагрузку.

Потенциальная энергия ферритового кольца.

Опубликовано: 22/11/17

Важным условием работы схемы является чтобы катушки были расположены на противоположных сегментах ферритового кольца. Длина проволоки для каждой из катушек 20 метров. Одна из катушек короткозамкнута. Через вторую пропускался прямоугольный сигнал напряжением от 30 до 50 вольт.

...

Пространственное поле вокруг ферритового кольца является электрическим и носит ёмкостный характер. При внесении в пространство кольца сотового телефона, его сенсорный экран начинает самопроизвольно срабатывать. Один конец светодиодной лампы подключен к проводу заземления. Светодиодная лампа начинает гореть при подключении второго её конца к любому из оголённых проводов электрической цепи (включая ферромагнетик). Однако ток потребления начинает снижаться только если светодиодной нагрузка подключена к аноду диода защищающего транзистор. Если убрать короткое замыкание со второй катушки, формирование потенциальной энергии прекращается, лампа гореть перестаёт.



На генераторе была установлена частота в районе 200 кГц исходя из условия максимального тока потребления. При касании к любому из оголённых проводов на коже появляется ожог. Официалы объясняют ожоги ВЧ токами. Но это не так. Если убрать короткозамкнутый виток без изменения частотных характеристик, потенциальная энергия не формируется, ожогов не будет, лампа гореть перестаёт.

Что такое потенциальная энергия?

Опубликовано: 06/02/18

Что произойдёт если выполнить взрыв в закрытом пространстве? Энергия взрыва будет распространяться от центра взрыва к периферии во всех направлениях.

Электронным аналогом взрыва являются схемы построенные на принципах прерывания процесса энергообразования. Простейшими примерами является искра, быстрое размыкание контактов. В результате прерывания возникает градиент (перепад давления), который компенсируется образованием в локальном пространстве потенциальной энергии. Потенциальная энергия, по аналогии с обычным взрывом, распространяется от точки образования во всех направлениях, пытаясь заполнить всё окружающее пространство, но в результате малых концентраций - рассеивается.

Носителем потенциальной энергии является само пространство - воздух, диэлектрик, металл, всё что находится вблизи эпицентра образования потенциальной энергии. Потенциальная энергия - это энергия среды, её носителем не являются электроны в общепринятой концепции электрического тока.

Детектором потенциальной энергии является светодиодный фонарь либо светодиодная лампа. Важен принцип работы данных устройств. Мост, емкость и далее электронная схема-ключ, понижающая напряжение и разряжающая заряженную емкость на светодиодную нагрузку .



У распространения потенциальной энергии, есть предпочтения. Безусловно это металл. Поэтому наибольшее перераспределение потенциальной энергии происходит в среде проводников, где уже присутствует электричество стандартной генерации. Отсюда наблюдается дуализм и путаница в осознании, что и как происходит в электрической цепи при наличии потенциальной энергии.

Наилучшим вместилищем энергии является земля. Поэтому подключив провод заземления к участку схемы с эпицентром образования потенциальной энергии происходит её рассеивание и поглащение землёй. Стандартная энергия источника питания с землёй не взаимодействует.


...



Но если потенциальная энергия рассеивается, распространяясь от эпицентра, то достаточным условием ее перераспределения должен быть и обычный моток провода? Максимальное свечение светодиодной лампы достигается в случае если провод занимет большее пространство.

...



Определить на сколько и как взаимодействует потенциальная энергия с электронным током стандартной генерации не представляется возможным. Можно предположить, что на разных участках проводника возникает разница потенциалов и как следствие начинается электронный ток. Сепарацию зарядов выполняют диодные вентили. В результате выполняется заряд конденсаторов.

...



...



Заряд ёмкости осуществляется через светодиодную матрицу. Пока ёмкость 50мкф*1000V заряжается светодиодная матрица горит. После заряда конденсатора 50мкф*1000V светодиодная матрица гаснет. Далее следует разряд ёмкости через разрядник на лампу накаливания. Заряженный конденсатор 50мкф*1000V - это бонус способный увеличить время работы схемы при отключении питания. Логика использовании заряда конденсатора должна отключить источник питания перед тем как использовать энергию заряженной ёмкости. На видео показано. Сразу после включения питания и заряда электролитического конденсатора питание отключается. Схему отличает малое энергопотребление и длительное время работы.

...

Просмотр ролика работы схемы.



Получение потенциальной энергии.

Опубликовано: 15/10/18

При резком прекращении процесса энергообразования образуется потенциальная энергия, которая "проявляется" при организации взаимодействия с землёй, заряжая ёмкость через диод.

...

Видеоролик работы схемы.



  • Контур, состоящий из витков вторичной катушки (белый провод) не замкнут, движение зарядов в нём не индуцируется. Интересен неравномерный градиент распределения потенциальной энергии вторичной намотки от максимума, который расположен в районе подключения транзисторного ключа к первичной обмотке (черный провод), к минимуму, расположенному в районе подключения минуса питания первичной обмотки. Поскольку контур, состоящий из витков вторичной катушки не замкнут, движение зарядов в нём не индуцируется.

  • Динамику изменения тока в цепи показывает красный луч осциллографа, который подключен к датчику тока. При подключении параллельно намотки ёмкости в 1мКф, соленоид входит в резонанс на частоте 19,6кГц. После возникновения гармонических колебаний зафиксировать потенциальную энергию пока не удаётся.

  • Утилизация потенциальной энергии оставляет без изменения либо уменьшает ток потребления. Складывается впечатление, что рост потребления из сети обусловлен противодействовать данной энергии. При организации стока энергии на землю потребление падает. На ряде частот и подборе скважности импульса наблюдалось уменьшение тока потребления в два раза.

Амплитуда и сигнатура ОЭДС.

Опубликовано: 22/07/18

Встречается информация, что уменьшение сопротивления перехода транзистора сток-исток, увеличивает ОЭДС или применительно к данному разделу потенциальной энергии. Уменьшение сопротивление перехода достигается в результате параллельного подключения транзисторов. Для сравнения была взята схема управленя П-канальными транзисторами. схема управленя П-канальными транзисторами.

После транзисторов, установлены высоковольтные диоды C4D10120D. Ниже на фотографиях показаны импульсы ОЭДС формируемые схемой при отсутствии диодов. Импульсы малой длительности и высокого напряжения на стоке П-канального транзистора показывает желтый луч осциллографа. При подключении нагрузки - светодиодной матрицы, ток потребления вырос. Амплитуда импульсов ОЭДС стала ниже.



При подключении диода после транзистора и далее индуктивная нагрузка, форма сигнала на стоке транзистора изменяется - желтый луч. Красный луч - катод транзистора C4D10120D. На фотографии ниже показано, что потенциал на стоке изменяется по экспоненциальной зависимости.

При подключении нагрузки - светодиодной матрицы, ток потребления остался без имзменения. Амплитуда импульсов ОЭДС стала ниже. Подключение светодиодной матрицы ориентировано на использование потенциаьной энергии, поэтому анод подключается к минусовому проводу, катод к выходу с транзистора и точке подключения индуктивности.



Максимальные по мощности импульсы ОЭДС для данной индуктивности формируются в районе десятков герц. Уменьшить потребление можно увеличивая частоту следования импульсов.




Подключения второго транзистора C2M0160120D, даёт снижение сопротивления в два раза, но на частоте 40кГц роста ОЭДС нет. После снижения частоты до 38кГц и соблюдении формы сигнала можно видеть увеличение ОЭДС.



Но то, что частоту пришлось изменить в меньшую сторону, означает лишь, что на формирование ОЭДС больше влияет ёмкость перехода. Общая ёмкость перехода сток исток пары транзисторов выросла в два раза.

Копилка.

Опубликовано: 30/05/17

Оглавление.